LEMON Manuals: Even more car manuals for everyone
Home >> Buick >> 1994 >> Century L4-2.2L VIN 4 >> Repair and Diagnosis >> Diagrams >> Exploded Views >> Steering Column

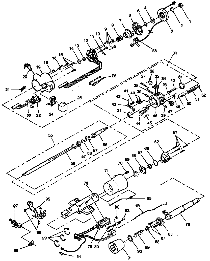
Steering Column

Exploded View Of Steering Column:






1- NUT, HEXAGON LOOKING (M14x1.5)
2- RING, RETAINING
3- COIL ASM, SIR
4- WASHER, WAVE
5- RING, RETAINING
6- LOCK, SHAFT
7- CAM ASM, TURN SIG CANCEL
8- SPRING, UPPER BEARING
9- SCREW, BNDG HD CR RECESS
10- SCREW, RD WASH HD (M4.2x1.41)
11- ARM, SIGNAL SWITCH
12- SWITCH ASM, TURN SIGNAL
13- SEAT, UPPER BRG INNER RACE
14- RACE, INNER
15- SCREW, PAN HD 6-LOBED SOC TAP
16- SWITCH ASM, BUZZER
18- SCREW, LOCK RETAINING
19- COVER&SLEEVE ASM, LOCKHSG
20- LOCK CYLINDER SET, STRG COL
21- ACTUATOR, DIMMER SW ROD
22- PIN, SWITCH ACTUATOR PIVOT
23- SWITCH ASM, PIVOT & (PULSE)
24- BASE PLATE, COL HSG CVR END
25- CAP, COL HSG COVER END
26- PROTECTOR, WIRING
28- SHROUD, CONNECTOR
30- HOUSING ASM, STRG COLUMN
31- BEARING ASM
32- BOLT, LOCK
33- SPRING, LOCK BOLT
34- SHOE, STEERING WHEEL LOCK
35- SHOE, STEERING WHEEL LOCK
36- SHIELD, WIRE PROTECTOR
37- SHAFT, DRIVE
38- PIN, DOWEL
39- PIN, PIVOT
40- SPRING, SHOE
41- SPRING, RELEASE LEVER
42- PIN, RELEASE LEVER
43- LEVER, SHOE RELEASE
44- RACK, SWITCH ACTUATOR
45- SPRING, RACK PRELOAD
46- HOUSING, STRG COLUMN
47- SECTOR, SWITCH ACTUATOR
48- SCREW, HEX WASHER HEAD
50- GUIDE, SPRING
51- SPRING. WHEEL TILT
52- RETAINER, SPRING
55- SHAFT ASM, STEERING
56- SHAFT ASM, RACE & UPPER
57- SPHERE, CENTERING
58- SPRING, JOINT PRELOAD
59- SHAFT ASM, LOWER
61- SCREW, SUPPORT
62- SUPPORT ASM, STRG COL
66- RING, SHIFT TUBE RETAINING
67- WASHER, THRUST
68- PLATE, LOCK
69- WASHER, WAVE
70- SPRING, SHIFT LEVER
71- BOWL ASM, GEARSHIFT LEVER
73- JACKET ASM, STRG COL
78- TUBE ASM, SHIFT
79- SWITCH ASM, IGN & DIMMER
80- STUD, DIMR & IGN SW MTG
82- NUT, HEXAGON (#10-24)
83- SCREW, WASH HD (#10-24X.25)
84- ROD, DIMMER SWITCH
85- ACTUATOR ASM, IGN SWITCH
86- BEARING ASM, ADAPTER &
87- SCREW, HEX WASHER HD TAP
88- SEAT, LOWER BEARING
89- SPRING, LOWER BEARING
90- RETAINER, LOWER SPRING
91- RETAINER, BEARING
94- CONN, AXIAL POSN ASSUR
95- SUPPORT, STEERING COL LOWER
96- BOLT, HEX FLANGED HD (M6X1 X1.4)
97- ACTUATOR, ELECTRICAL (BTSI)
98- CLIP, ADJUSTMENT RETAINING
99- STRAP, WIRE HARNESS


SERVICE KITS
201- RACK SERV KIT, COL SECTOR &
202- SPRING SERV KIT, TILT COLUMN
203- COIL SERV KIT, INFL RESTRAINT
204- SPHERE SERV KIT, TILT COLUMN
205- GREASE SERV KIT, (SYNTHETIC)