LEMON Manuals: Even more car manuals for everyone
Home >> Buick >> 2005 >> LeSabre V6-3.8L VIN K >> Repair and Diagnosis >> Diagrams >> Electrical Diagrams >> Powertrain Management >> Body Control Module >> Door Control Module Diagrams

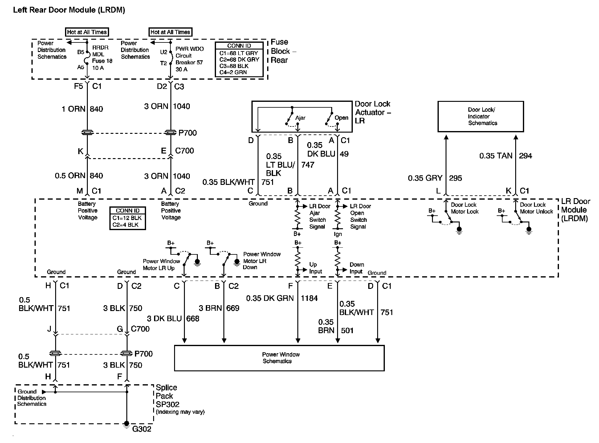
Door Control Module Diagrams



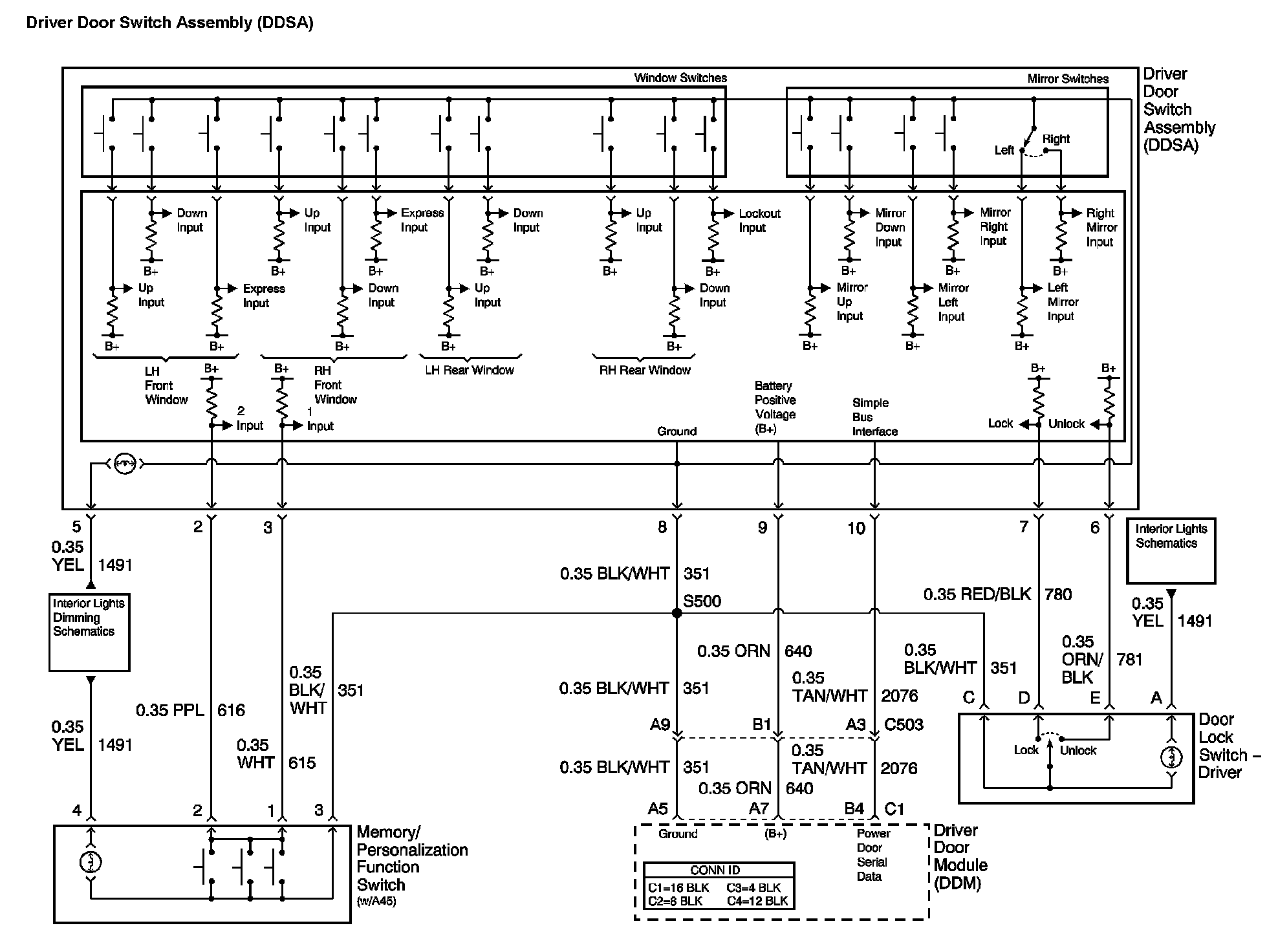
Door Control Module Diagram 1:




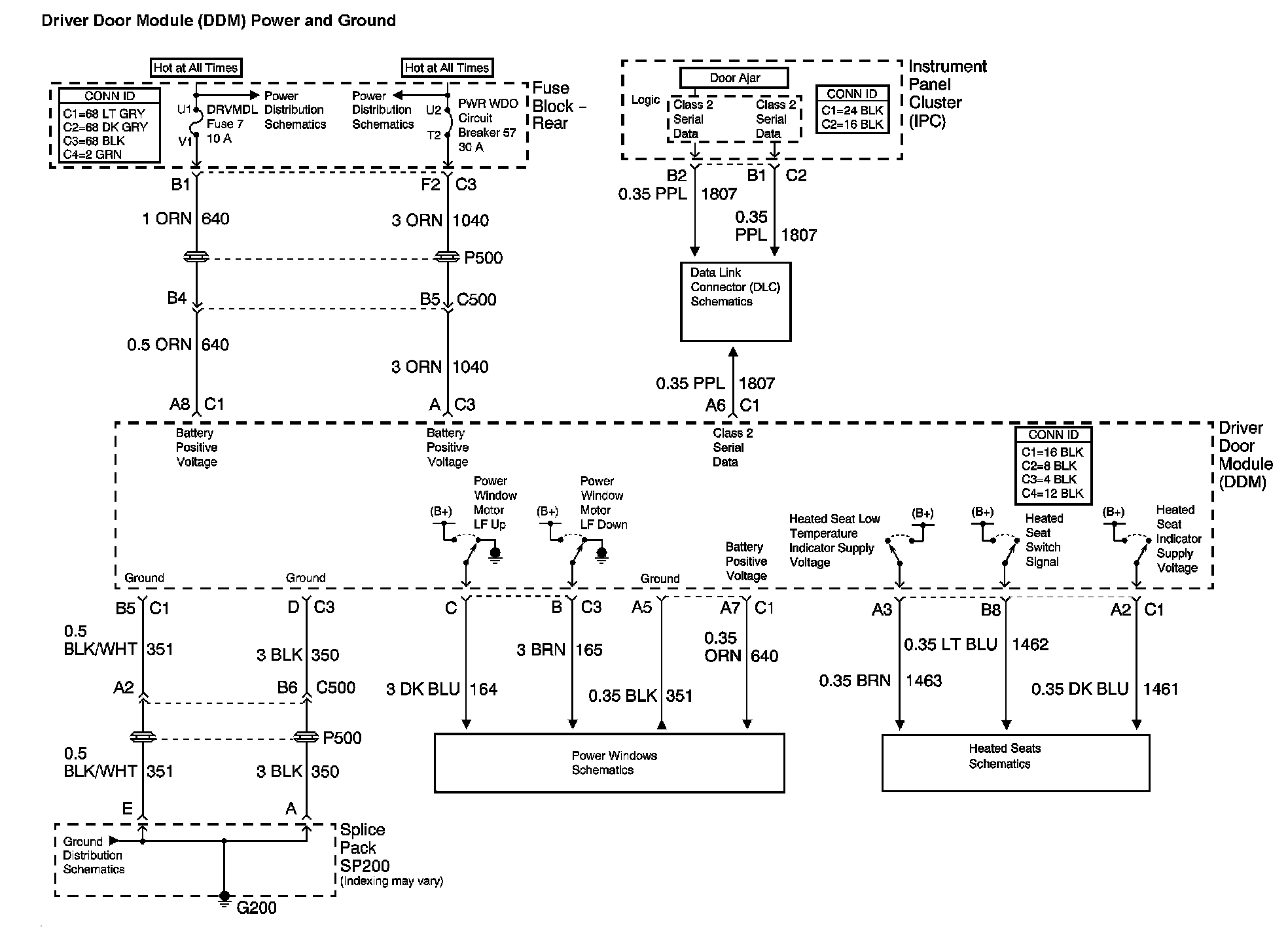
Door Control Module Diagram 2:




Door Control Module Diagram 3:




Door Control Module Diagram 4:




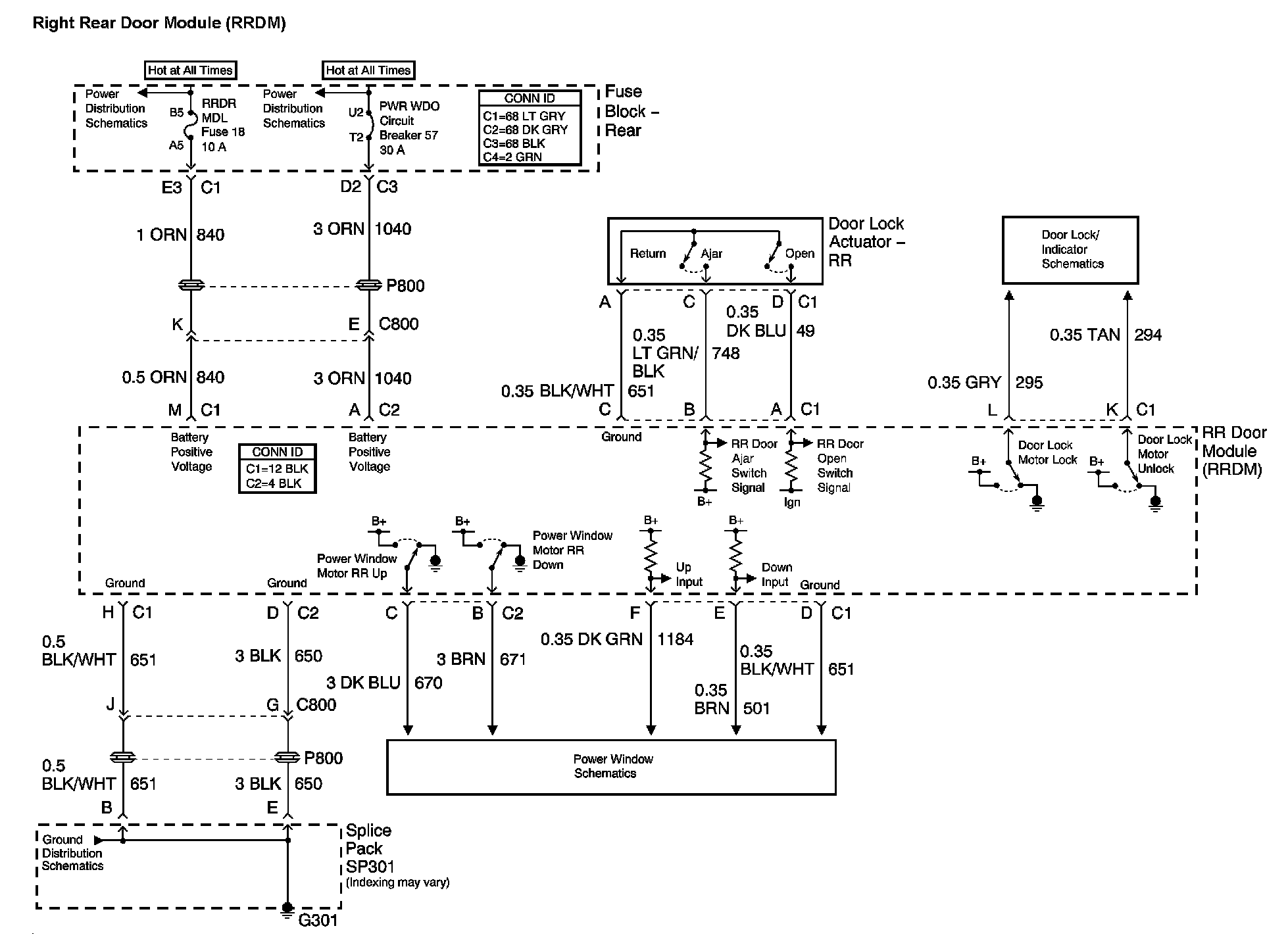
Door Control Module Diagram 5:




Door Control Module Diagram 6:




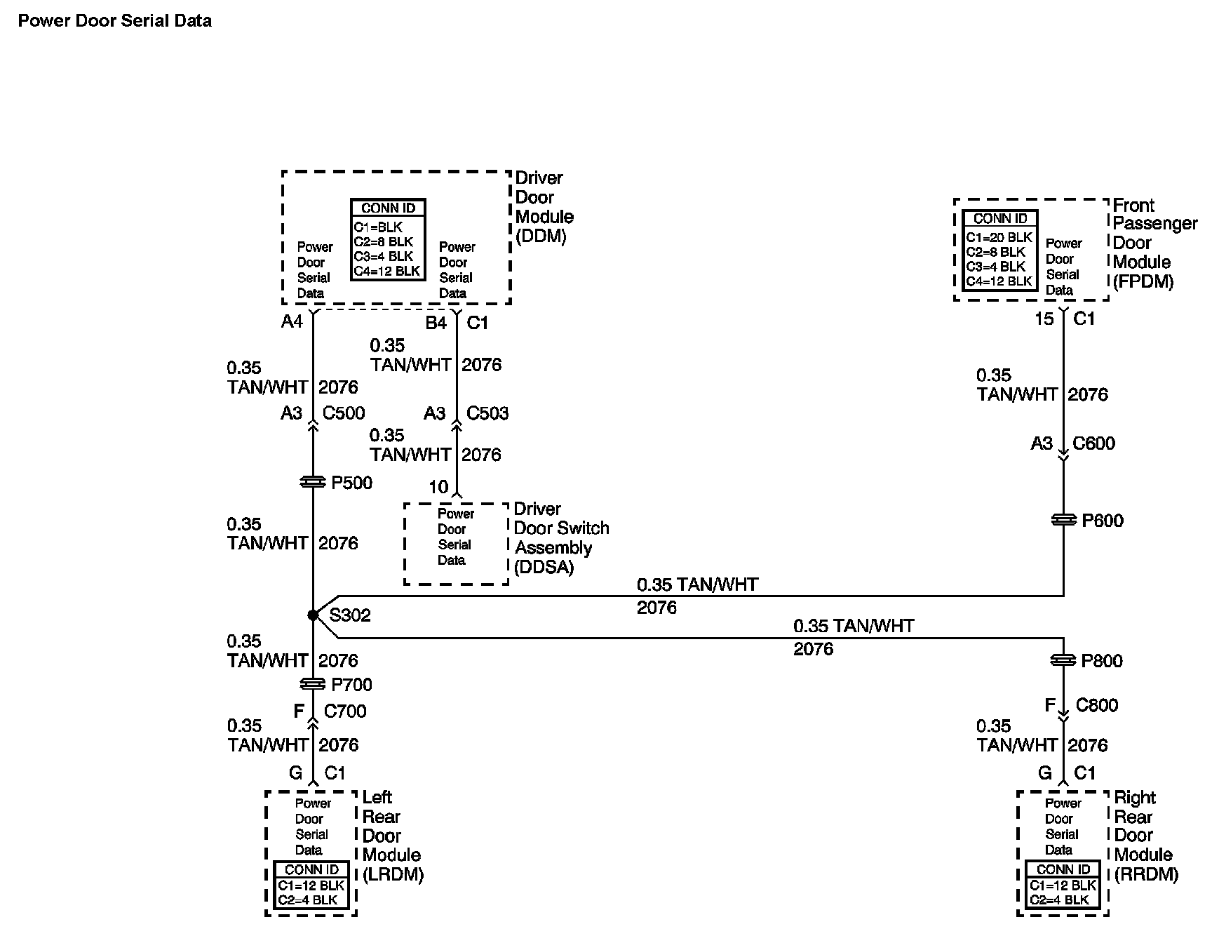
Door Control Module Diagram 7:




Door Control Module Diagram 8:






Locations: The locations for the Connectors, Grounds, Splices, and Grommets shown within these diagrams can be found via their numbers at Vehicle Locations. Locations