LEMON Manuals: Even more car manuals for everyone
Home >> Cadillac >> 1998 >> Seville STS V8-4.6L VIN 9 >> Repair and Diagnosis >> Cruise Control >> Cruise Control Module >> Service and Repair

Cruise Control Module: Service and Repair

REMOVAL PROCEDURE

Cruise Control Module Replacement: Removal Procedure:




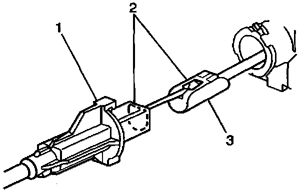
1. Remove the cruise control cable at engine bracket (3) and throttle body cam (1).

Cruise Control Module Replacement: Removal Procedure:




2. Remove cruise control cable (1) from module assembly connector (3).
3. Remove electrical connector from module assembly.

Cruise Control Module Replacement: Removal Procedure:




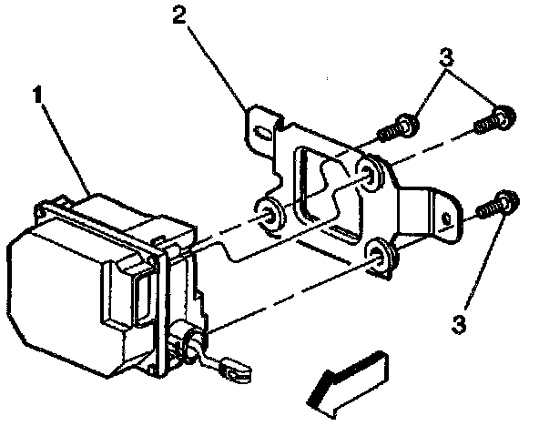
4. Remove nuts (2) from mounting studs.

Cruise Control Module Replacement: Removal Procedure:




5. Remove the cruise control module bracket (2) from module (1).

INSTALLATION PROCEDURE

Cruise Control Module Replacement: Installation Procedure:




1. Install cruise control module (1) to bracket (2).
2. Install the module to bracket fasteners.

Tighten
Tighten the fasteners to 7.5 N.m (66 lb in).

Cruise Control Module Replacement: Installation Procedure:




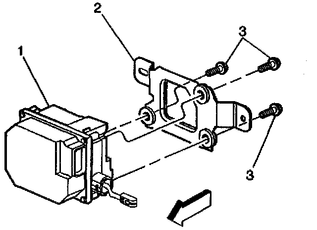
3. Install cruise control module (1) onto studs on cowl.
4. Install two nuts (2).

Tighten
Tighten the bracket retaining nuts to 9 N.m (80 lb in).

Cruise Control Module Replacement: Installation Procedure:




5. Connect the electrical connector to module.
6. Install the cruise control cable (1) to module assembly connector (1).

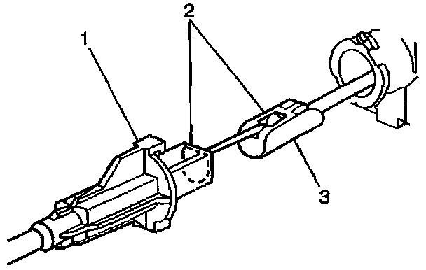
Cruise Control Module Replacement: Installation Procedure:




7. Install the cruise control cable to engine bracket (3) and throttle body cam (1).
8. Adjust the cruise control cable. Refer to Cruise Control Cable Adjustment. Cruise Control Cable Adjustment