LEMON Manuals: Even more car manuals for everyone
Home >> Cadillac >> 2000 >> Seville SLS V8-4.6L VIN Y >> Repair and Diagnosis >> Diagrams >> Components >> Modules >> Dash Integration Module (DIM)

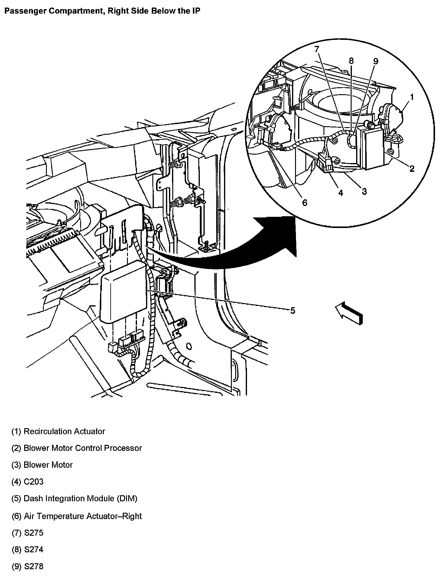
Dash Integration Module (DIM)

Passenger Compartment Right Side Below The IP:




In the right side of the instrument panel, near the blower motor