LEMON Manuals: Even more car manuals for everyone
Home >> Cadillac >> 2000 >> Seville SLS V8-4.6L VIN Y >> Repair and Diagnosis >> Diagrams >> Electrical Diagrams >> Powertrain Management >> Computers and Control Systems >> Body Control Module >> Dash Integration Module (DIM) >> DIM Inputs And Outputs

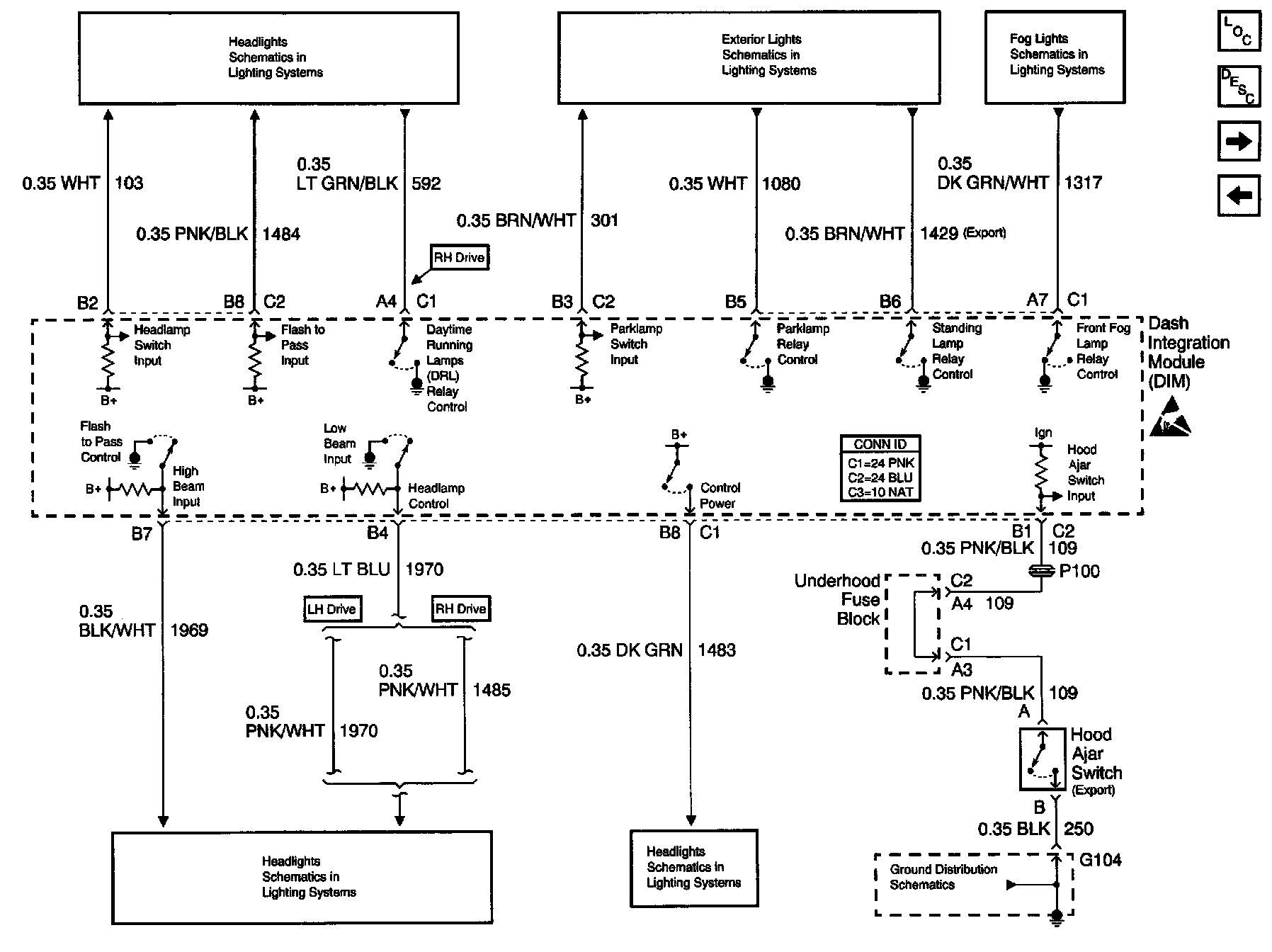
DIM Inputs And Outputs

Body Control Module Schematics: DIM Inputs And Outputs (Part 1 Of 2):



Body Control Module Schematics: DIM Inputs And Outputs (Part 2 Of 2):