LEMON Manuals: Even more car manuals for everyone
Home >> Cadillac >> 2000 >> Seville SLS V8-4.6L VIN Y >> Repair and Diagnosis >> Diagrams >> Electrical Diagrams >> Powertrain Management >> System Diagram >> Engine Controls >> Ignition Controls >> Ignition Control Module

Ignition Control Module

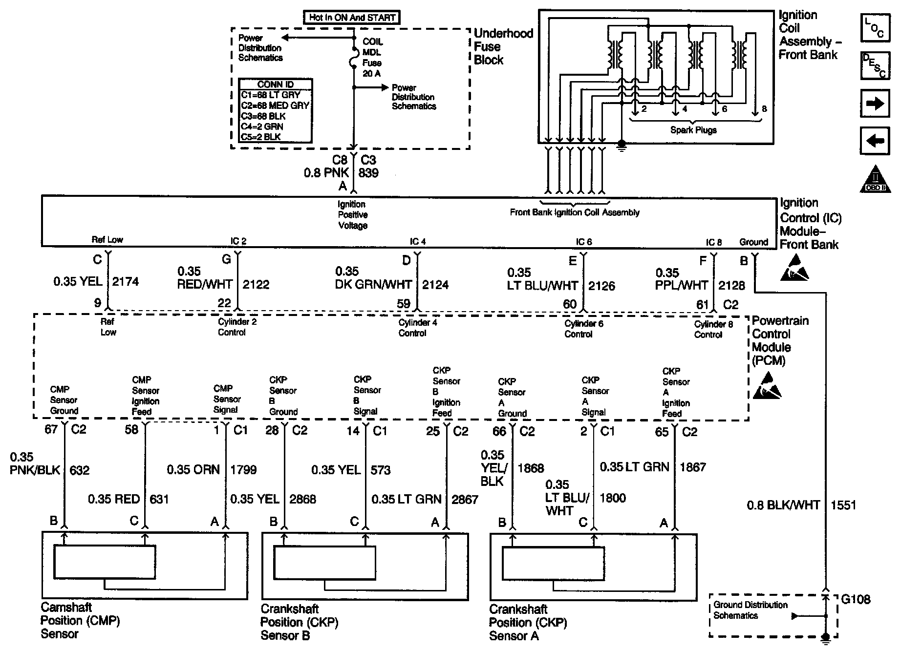
Engine Controls Schematics: Ignition Control Module- Front Bank:



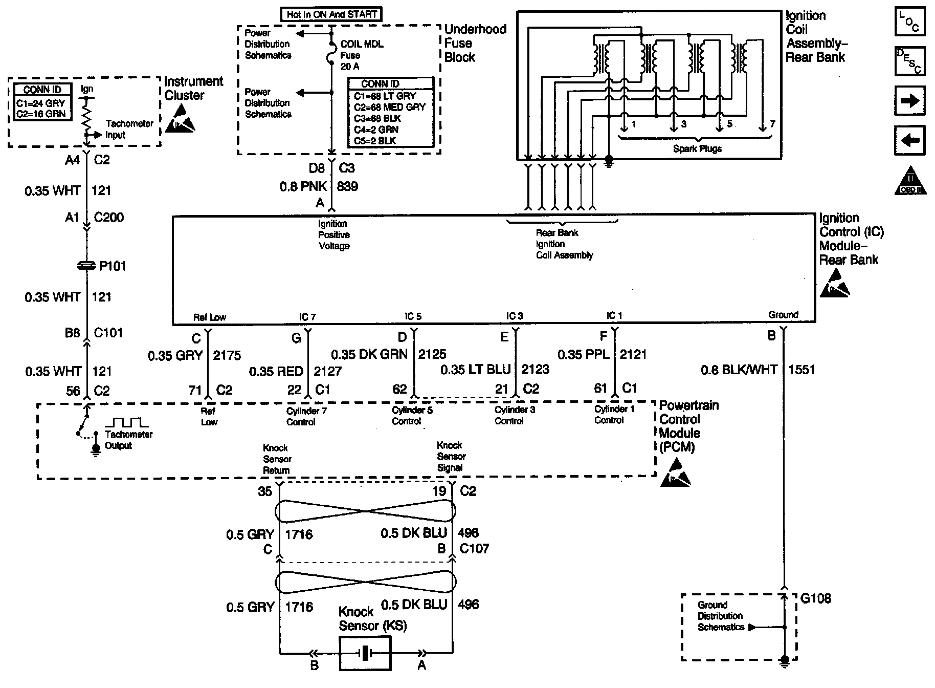
Engine Controls Schematics: Ignition Control Module- Rear Bank: