LEMON Manuals: Even more car manuals for everyone
Home >> Cadillac >> 2000 >> Seville SLS V8-4.6L VIN Y >> Repair and Diagnosis >> Powertrain Management >> Diagrams >> Electrical Diagrams >> Engine Controls >> Cruise Control Module

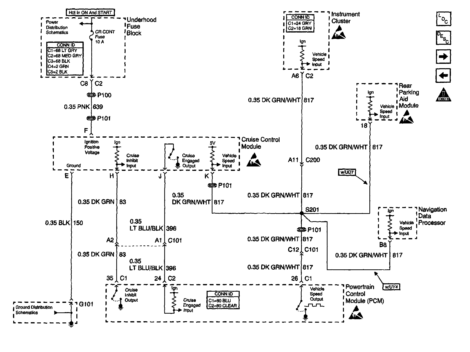
Cruise Control Module

Engine Controls Schematics: Cruise Control Module: