LEMON Manuals: Even more car manuals for everyone
Home >> Cadillac >> 2005 >> STS V6-3.6L VIN 7 >> Repair and Diagnosis >> Diagrams >> Electrical Diagrams >> Powertrain Management >> Computers and Control Systems >> Body Control Module >> Body Control System Diagrams

Body Control System Diagrams



Body Control System Diagram 1:




Body Control System Diagram 2:




Body Control System Diagram 3:




Body Control System Diagram 4:




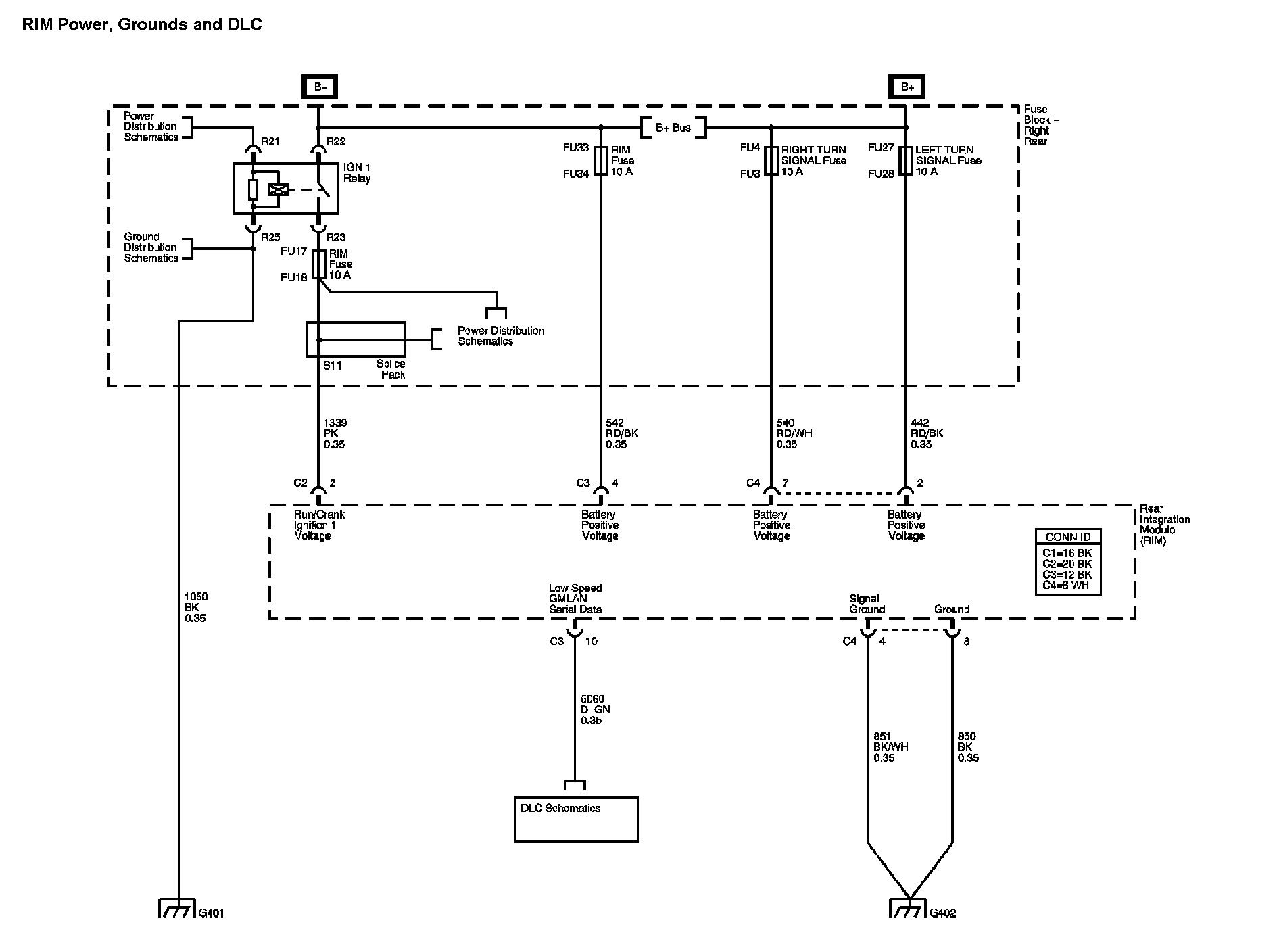
Body Control System Diagram 5:




Body Control System Diagram 6:






Location: The locations for the Connectors, Grounds, Splices, and grommets shown within these diagrams can be found via their numbers at vehicle locations. Locations