LEMON Manuals: Even more car manuals for everyone
Home >> Chevrolet >> 1998 >> Lumina V6-3.8L VIN K >> Repair and Diagnosis >> Diagrams >> Electrical Diagrams >> Accessory Delay Module

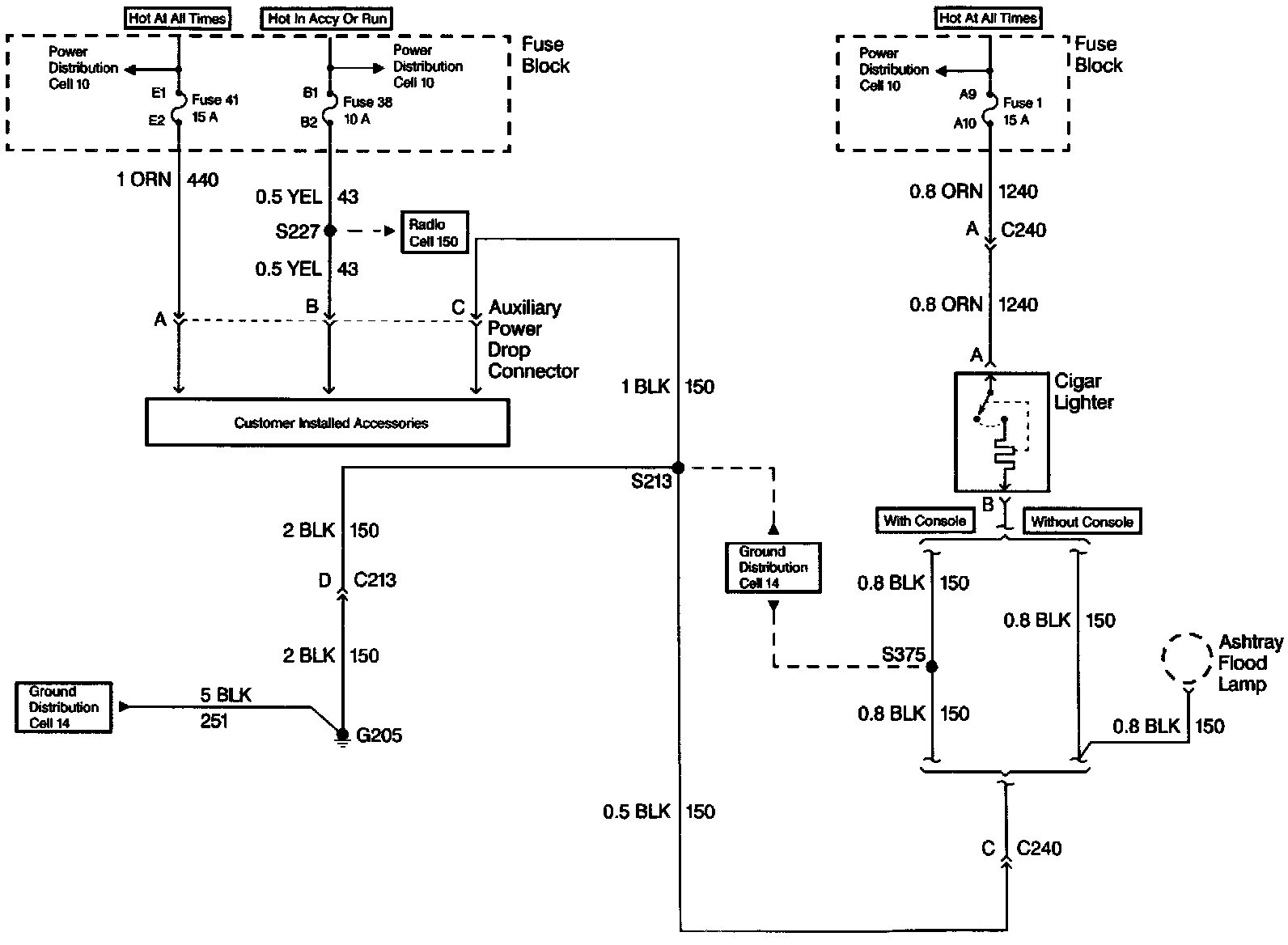
Accessory Delay Module

Accessory Power: