LEMON Manuals: Even more car manuals for everyone
Home >> Chevrolet >> 2001 >> Lumina V6-3.1L VIN J >> Repair and Diagnosis >> Locations >> Component Locations >> Modules >> Electronic Brake Control Module

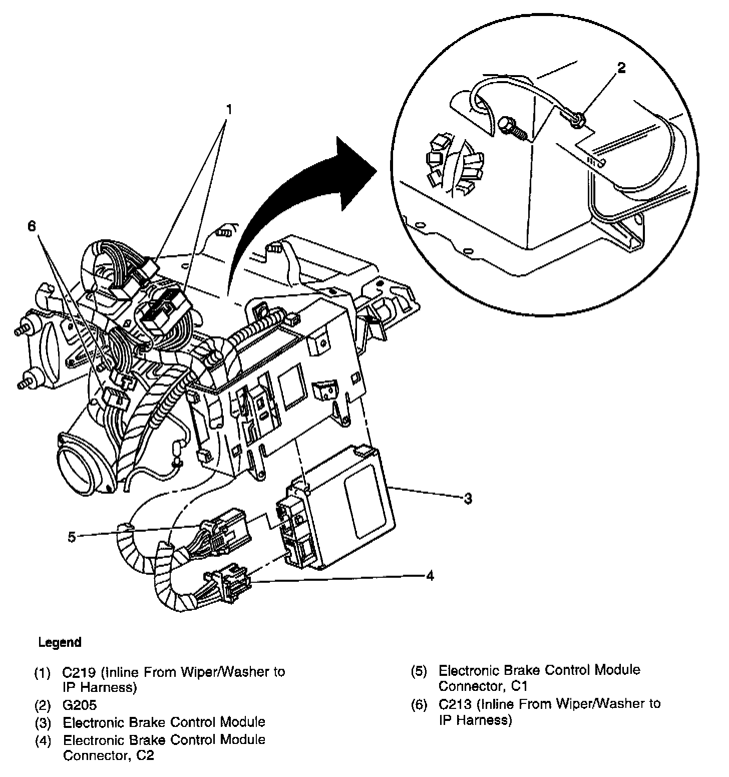
Electronic Brake Control Module

Locations View: