LEMON Manuals: Even more car manuals for everyone
Home >> Chevrolet >> 2004 >> Classic L4-2.2L VIN F >> Repair and Diagnosis >> Powertrain Management >> Computers and Control Systems >> Information Bus >> Locations

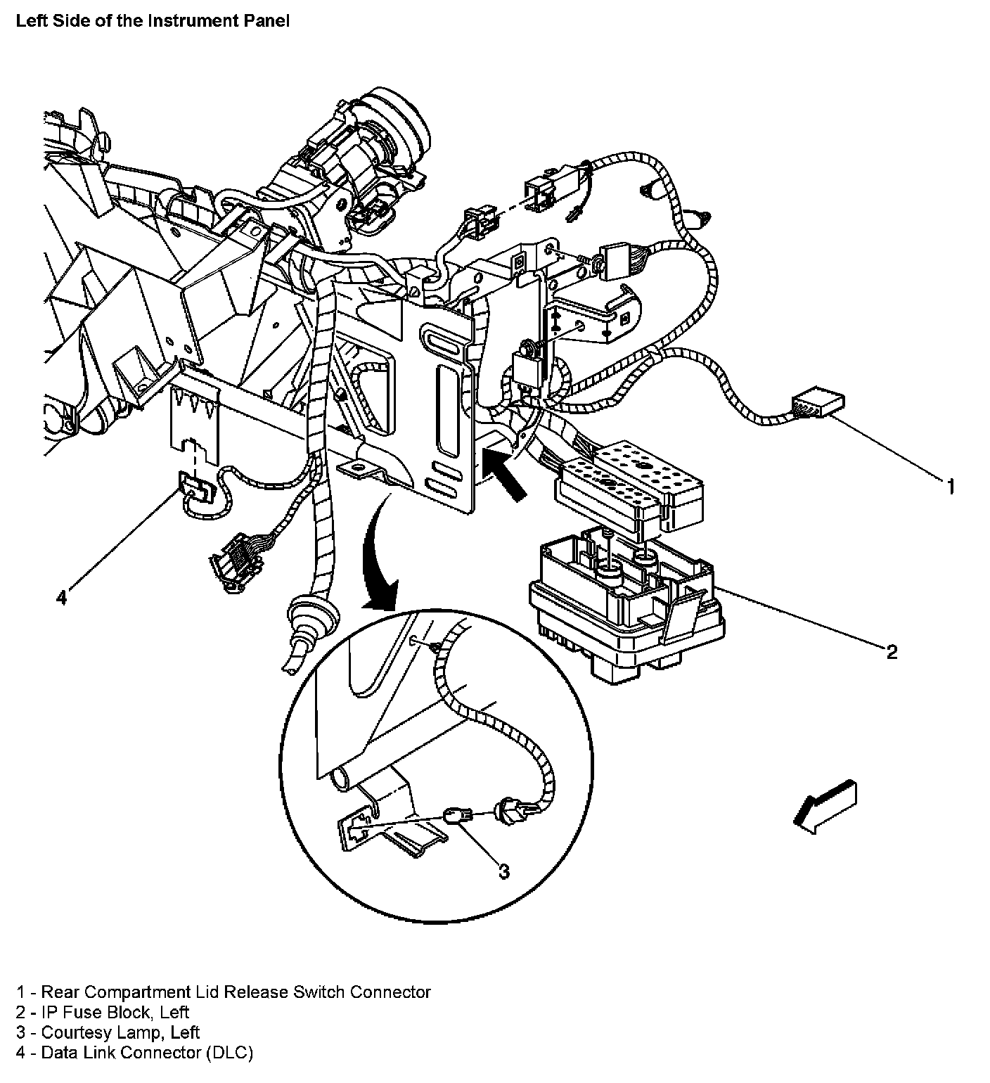
Information Bus: Locations

Left Side of the Instrument Panel: