LEMON Manuals: Even more car manuals for everyone
Home >> Chrysler >> 2004 >> Crossfire V6-3.2L VIN L >> Repair and Diagnosis >> Diagrams >> Electrical Diagrams >> Powertrain Management >> Body Control Module >> System Schematics

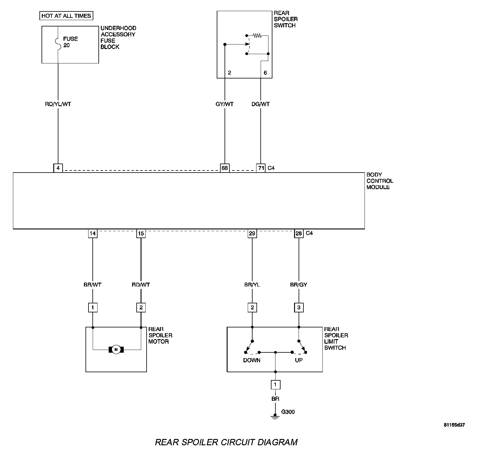
System Schematics