LEMON Manuals: Even more car manuals for everyone
Home >> Ford >> 1989 >> Probe L4-133 2.2L SOHC >> Repair and Diagnosis >> Powertrain Management >> Diagrams >> Electrical Diagrams >> Engine Controls

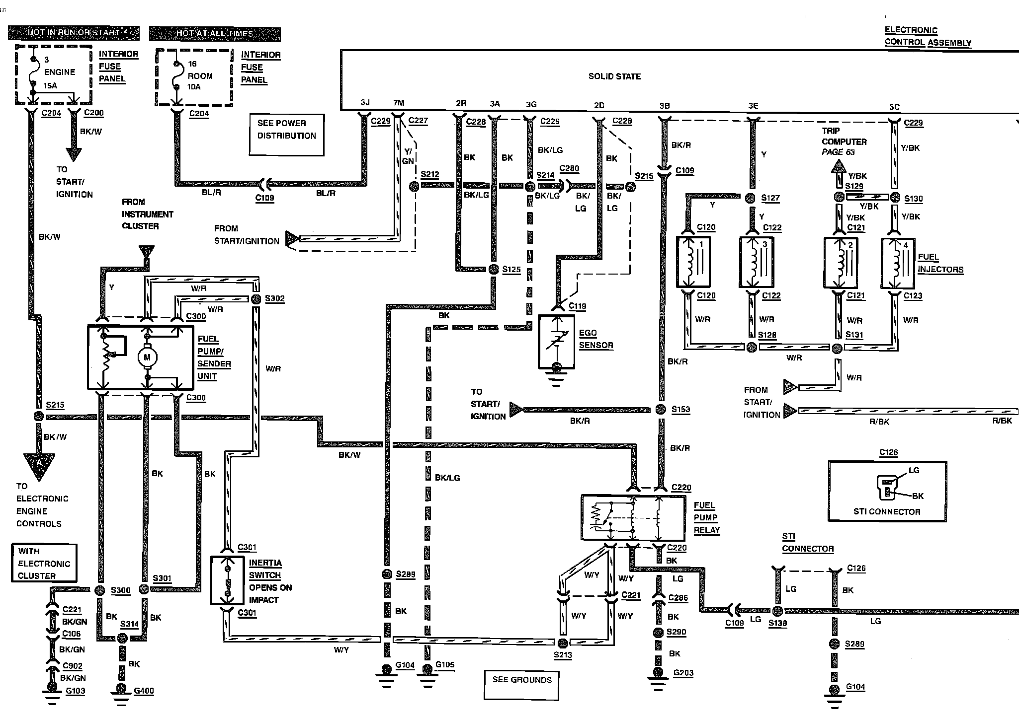
Engine Controls

H��1�L�1Electronic Engine Controls Wiring Circuit.Non-Turbocharged Engine: