LEMON Manuals: Even more car manuals for everyone
Home >> Ford >> 1999 >> Mustang V6-3.8L VIN 4 >> Repair and Diagnosis >> Diagrams >> Exploded Views >> Engine >> Engine Components

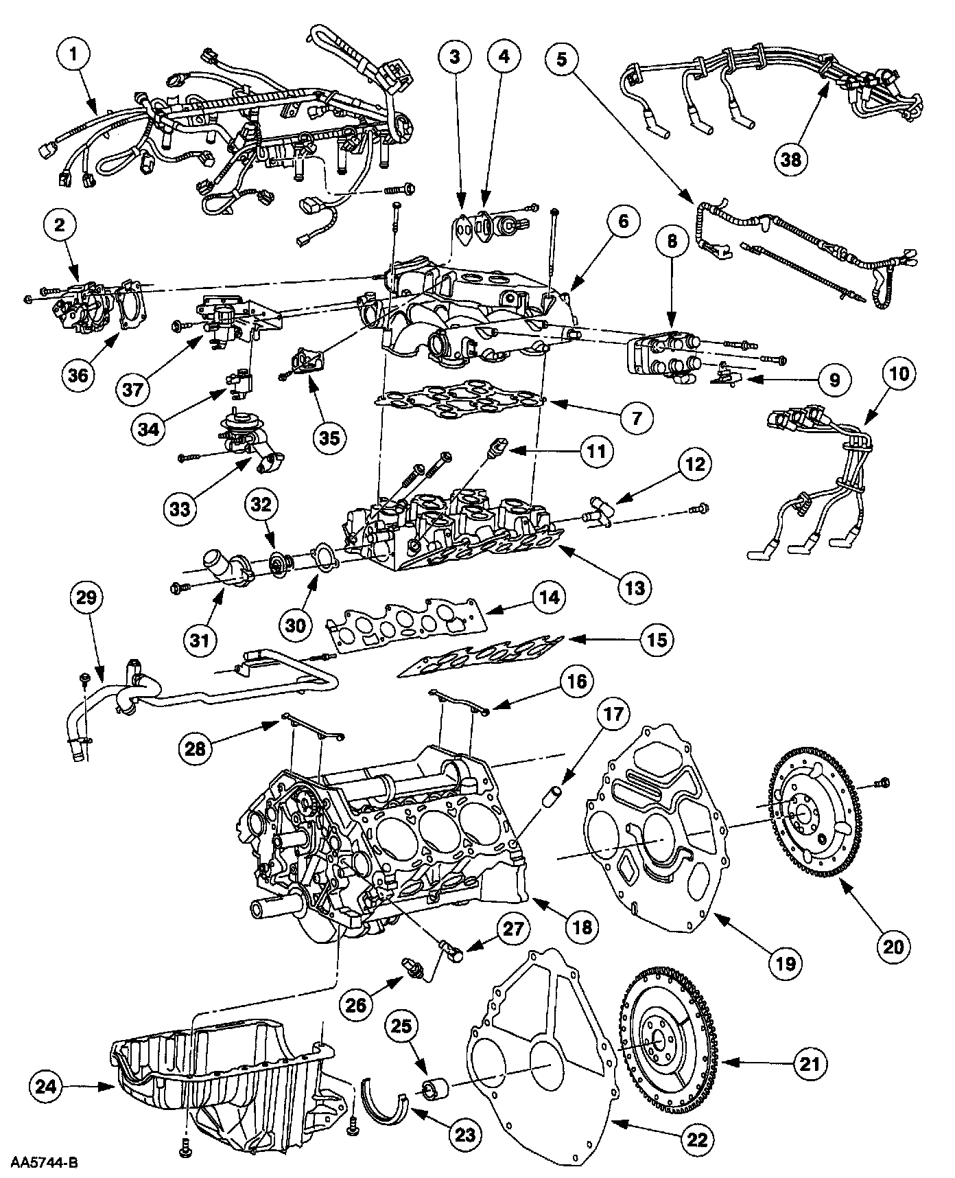
Engine Components

Part 1 Of 2:



Part 2 Of 2: