LEMON Manuals: Even more car manuals for everyone
Home >> Ford >> 2003 >> Focus L4-2.3L VIN Z >> Repair and Diagnosis >> Diagrams >> Exploded Views >> Engine

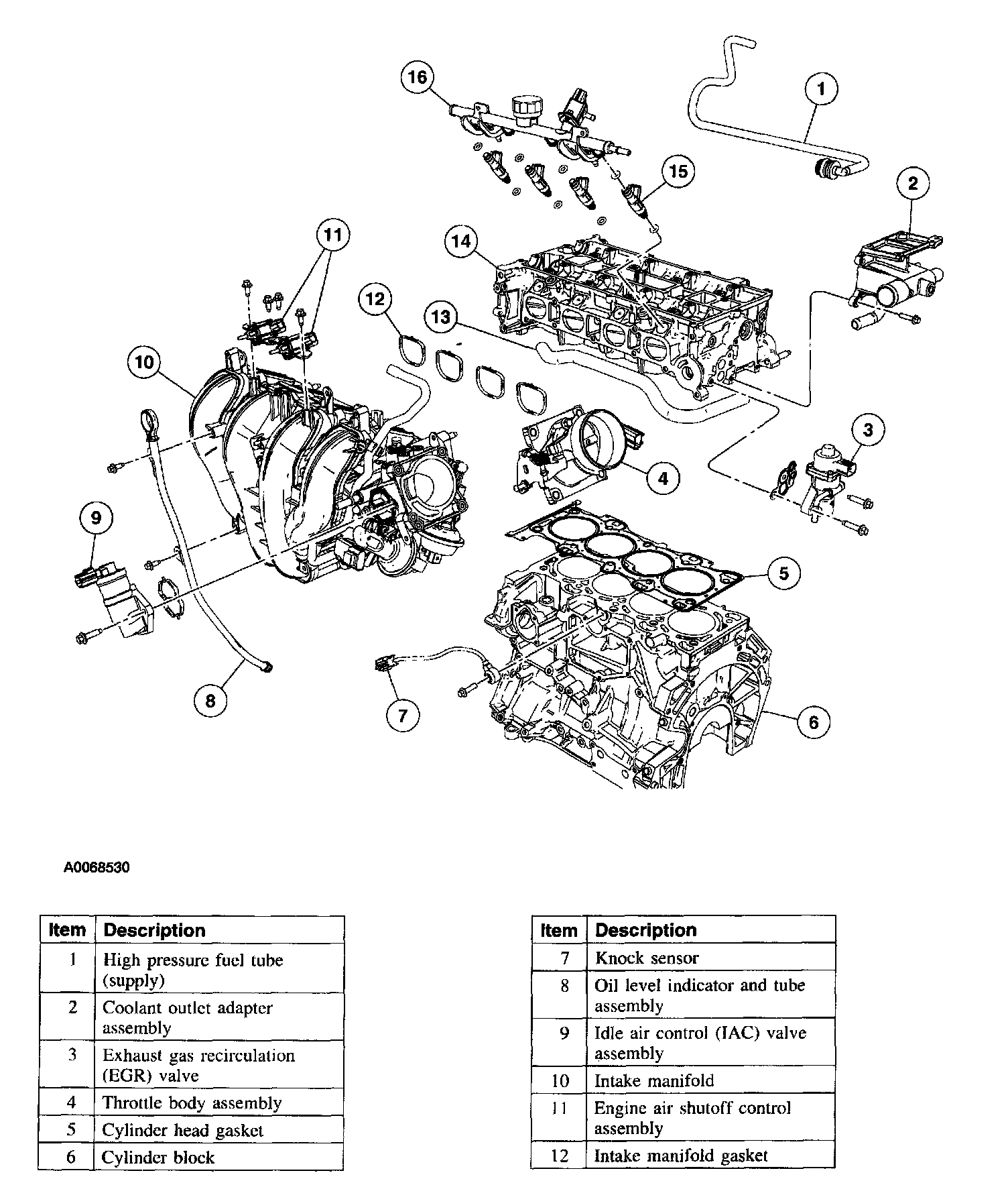
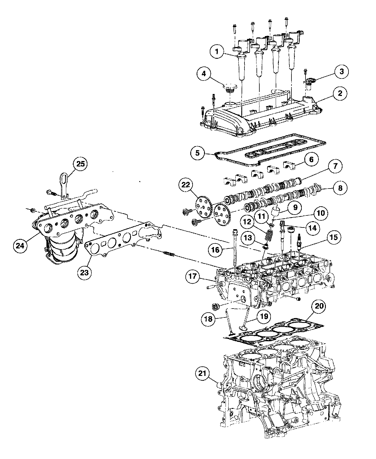
Engine

Exploded Views





Lower Engine Block








Front Engine Block








Cylinder Head








Intake Manifold