LEMON Manuals: Even more car manuals for everyone
Home >> Ford >> 2005 >> Mustang V6-4.0L VIN N >> Repair and Diagnosis >> Diagrams >> Exploded Views >> Engine >> Timing Components

Timing Components

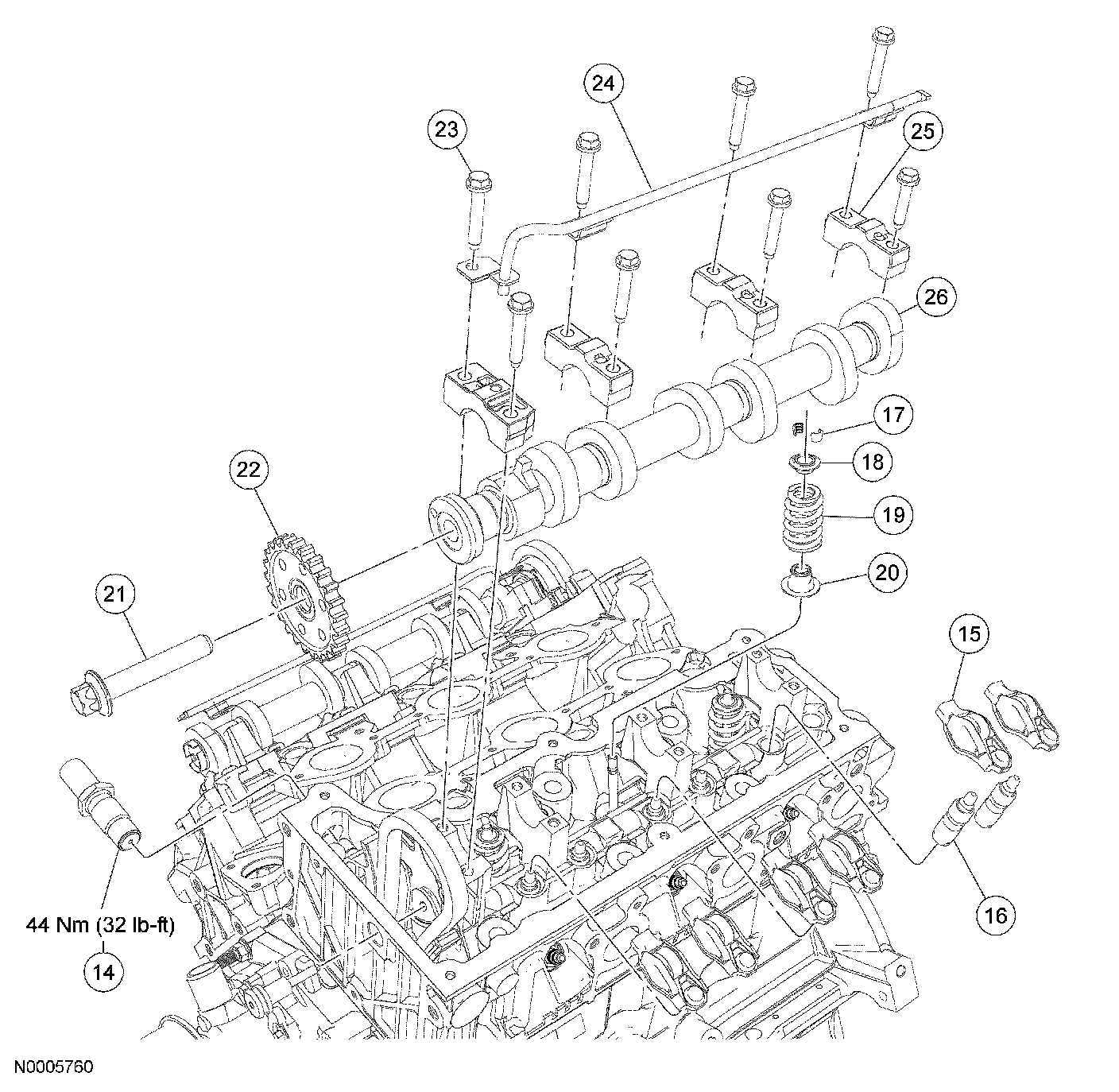
Valve Train Components Exploded View








RH Side








LH Side