LEMON Manuals: Even more car manuals for everyone
Home >> Ford >> 2005 >> Thunderbird V8-3.9L VIN A >> Repair and Diagnosis >> Heating and Air Conditioning >> Testing and Inspection >> Pinpoint Tests >> Connector Circuit Reference >> DATC Module C228a

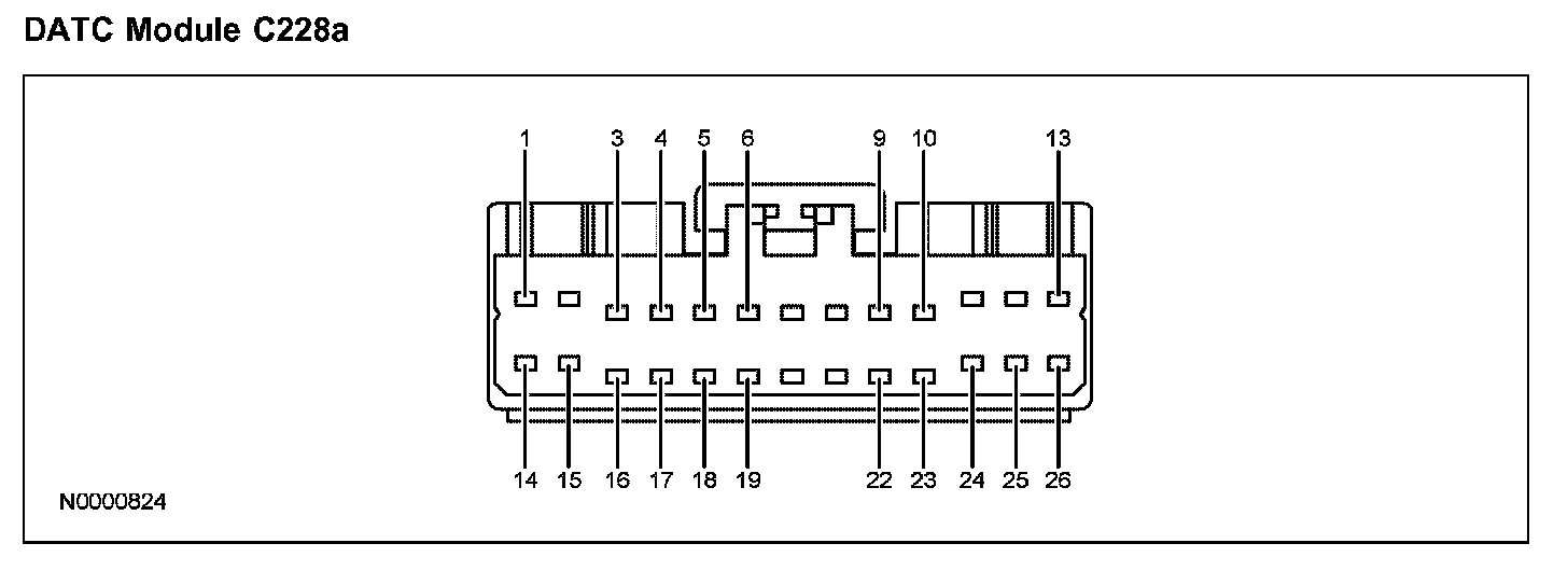
DATC Module C228a

DATC Module C228a (Part 1):



DATC Module C228a (Part 2):