LEMON Manuals: Even more car manuals for everyone
Home >> Ford >> 2006 >> Mustang V6-4.0L VIN N >> Repair and Diagnosis >> Diagrams >> Exploded Views >> Engine >> Timing Components

Timing Components

Valve Train Components - Exploded View

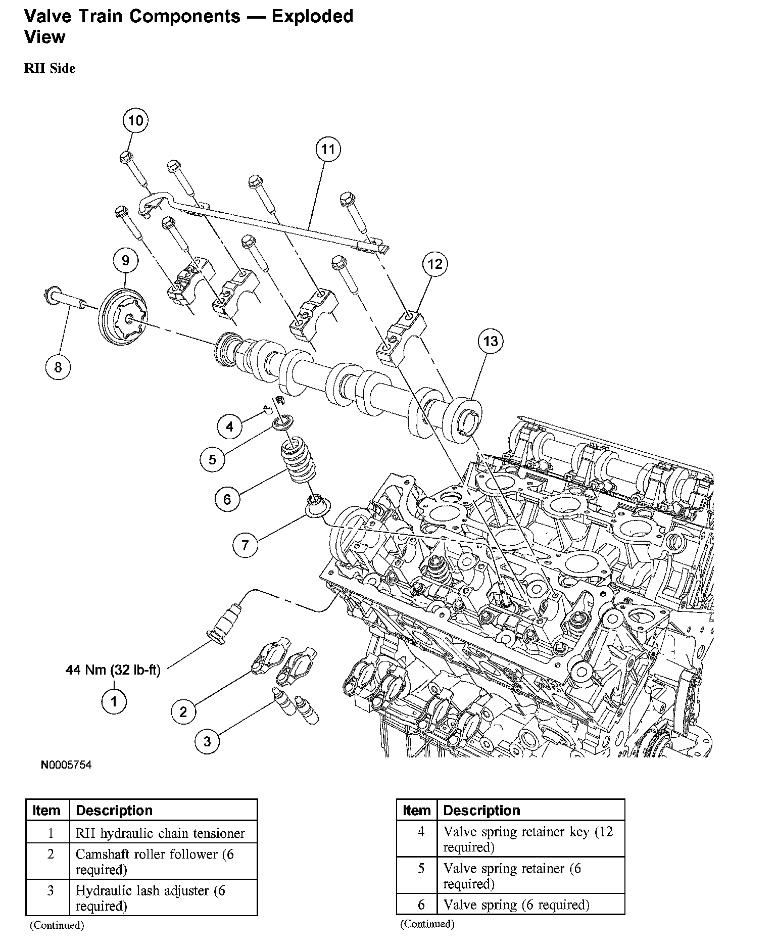
Valve Train Components - Exploded View, RH Side:




Valve Train Components - Exploded View, RH Side:




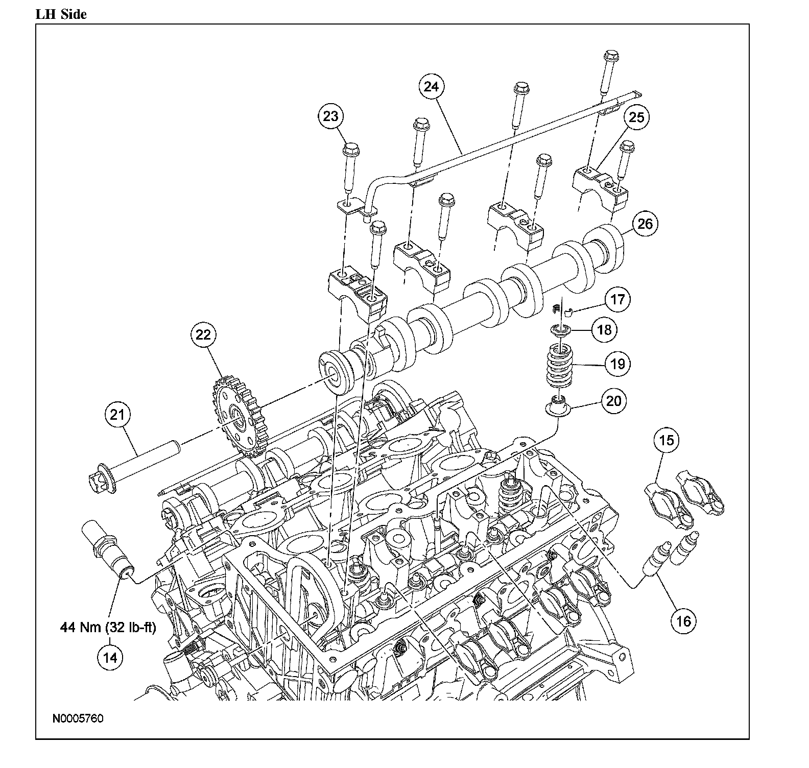
Valve Train Components - Exploded View, LH Side:




Valve Train Components - Exploded View, LH Side: