LEMON Manuals: Even more car manuals for everyone
Home >> Ford >> 2008 >> Mustang V8-5.4L SC >> Repair and Diagnosis >> Specifications >> Mechanical Specifications >> Engine >> Cylinder Block Assembly >> System Specifications

System Specifications

Cylinder Block
Cylinder bore
Diameter 90.200-90.210 mm (3.5511-3.5515 in)
Maximum taper 0.006 mm (0.0002 in)
Maximum out-of-round 0.020 mm (0.0008 in)
Main bearing bore inside diameter 72.400-72.424 mm (2.850-2.851 in)
Head gasket surface flatness 0.0254 mm (0.001 in) across any 38.1 mm (1.5 in) square

Crankshaft
Main bearing journal
Diameter 67.481-67.505 mm (2.6567-2.6577 in)
Maximum taper 0.004 mm (0.0002 in)
Maximum out-of-round 0.0075 mm (0.0003 in) between cross sections
Clearance-to-main bearing 0.048-0.024 mm (0.001891-0.0009 in)
Connecting rod journal
Diameter 53.003-52.983 mm (2.0867-2.0859 in)
Maximum taper 0.004 mm (0.0002 in)
Maximum end play 0.075-0.377 mm (0.003-0.0148 in)

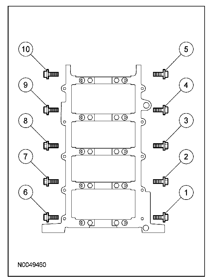
Vertical Main Bearing Bolts
Discard the bolts.





First pass 10 Nm (89 lb-in).
Second pass 40 Nm (30 lb-ft).
Final pass Tighten an additional 90°

Side Main Bearing Bolts
Discard the bolts.





First pass 40 Nm (30 lb-ft).
Final pass Tighten an additional 90°

Crankshaft Main Bearing Codes











Connecting Rod
Pin bore diameter 22.012-22.024 mm (0.8666-0.8671 in)
Length (centerline bore-to-bore) 169.1 mm (6.6575 in)
Maximum allowed bend ± 0.038 mm (0.0015 in)
Maximum allowed twist ± 0.05 mm (0.0021 in)
Bearing bore diameter (with assembled liners) 53.049-53.027 mm (2.0885-2.0877 in)
Bearing-to-crankshaft clearance 0.064-0.026 mm (0.0025-0.001 in)
Side clearance (as assembled to crank)
Standard play 0.300 ± 0.175 mm (0.0118 ± 0.0069 in)
Max. play 0.475 mm (0.0187 in)

Connecting Rod Cap Bolts
First pass 40 Nm (30 lb-ft).
Final pass Tighten an additional 90°

Piston
Diameter 90.180 ± 0.005 mm (3.5504 ± 0.0002 in)
Clearance-to-cylinder bore -0.005 to +0.025 mm (-0.0002-0.001 in)
Ring end gap
Top 0.13-0.28 mm (0.0051-0.0111 in)
Intermediate 0.25-0.40 mm (0.0098-0.0157 in)
Oil control 0.15-0.65 mm (0.0059-0.0256 in)
Ring groove width
Top 1.53-1.55 mm (0.0602-0.061 in)
Intermediate 1.52-1.54 mm (0.0598-0.0606 in)
Oil control 3.030-3.050 mm (0.1193-0.1201 in)
Ring width 1.49-1.46 mm (0.0587-0.0575 in)
Ring-to-groove clearance
Top 0.030-0.050 mm (0.0012-0.0020 in)
Intermediate 0.030-0.080 mm (0.0012-0.0031 in)
Pin bore diameter 22.008-22.014 mm (0.8665-0.8667 in)

Piston Pin
Diameter 22.0005-22.0030 mm (0.8662-0.8663 in)
Length 61.8 mm (2.433 in)
Fit-to-piston (clearance) 0.005-0.0135 mm (0.0002-0.0005 in)
Connecting rod-to-pin clearance 0.009-0.0235 mm (0.0004-0.0093 in)

Crankshaft Pulley Bolt
Discard the bolt.

First pass 120 Nm (88 lb-ft).
Second pass Loosen one full turn
Third pass 50 Nm (37 lb-ft).
Final pass Tighten an additional 90°