LEMON Manuals: Even more car manuals for everyone
Home >> Honda >> 1991 >> Accord L4-2156cc 2.2L SOHC >> Repair and Diagnosis >> Powertrain Management >> Ignition System >> Ignition Control Module >> Service and Repair

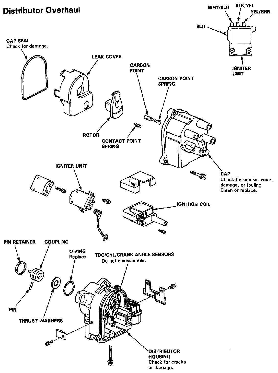
Ignition Control Module: Service and Repair









OE does not provide a removal and installation procedure for the ignitor. However, the image above shows the visual relationship and position of the ignitor to other distributor components. A dielectric compound should be used between the ignitor and the distributor body to aid in heat transfer.