LEMON Manuals: Even more car manuals for everyone
Home >> Honda >> 2005 >> Accord V6-3.0L Hybrid >> Repair and Diagnosis >> Specifications >> Mechanical Specifications >> Engine >> Timing Components >> System Specifications

System Specifications

Crankshaft pulley





Install the crankshaft pulley, and tighten the bolt. Do not use an impact wrench.
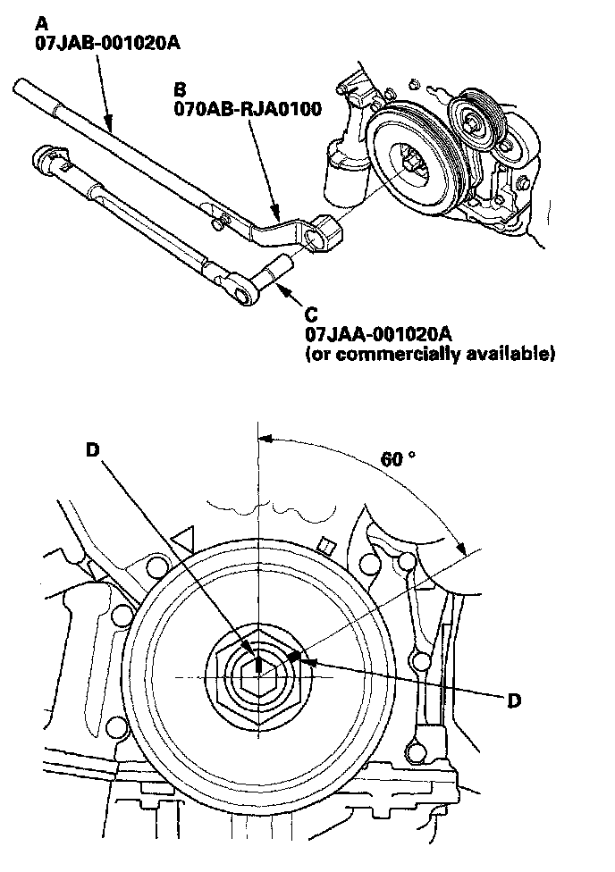
^ 1 Hold the pulley with the holder handle (A) and crankshaft pulley holder (B), then tighten the bolt to 64 Nm (6.5 kgf-m, 47 ft. lbs.) with a torque wrench and a 19 mm socket (C).
^ 2 Mark (D) the bolt head and crankshaft pulley as shown, then tighten the bolt an additional 60° (The mark on the bolt head lines up with the mark on the crankshaft pulley).

Timing Cover





Install the lower cover.





Install the front upper cover (A) and rear upper cover (B).





Timing Belt Tensioner