LEMON Manuals: Even more car manuals for everyone
Home >> Honda >> 2006 >> Civic Si L4-2.0L >> Repair and Diagnosis >> Diagrams >> Exploded Views >> Cylinder Block Assembly

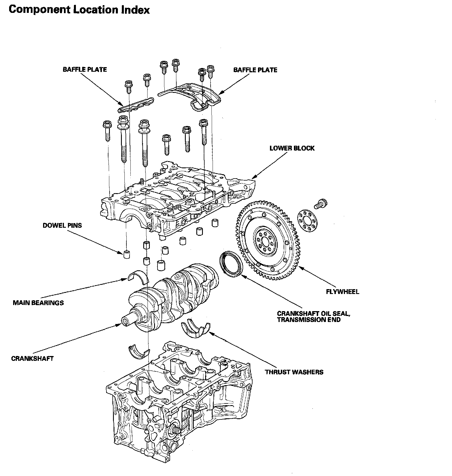
Cylinder Block Assembly

Engine Block Component Location Index:



Engine Block Component Location Index: