LEMON Manuals: Even more car manuals for everyone
Home >> Hummer >> 2004 >> H2 V8-6.0L >> Repair and Diagnosis >> Body and Frame >> Mirrors >> Service and Repair >> Procedures >> Mirror Replacement

Mirror Replacement

MIRROR REPLACEMENT

REMOVAL PROCEDURE




1. Remove the door trim panel.
2. Remove the water deflector.
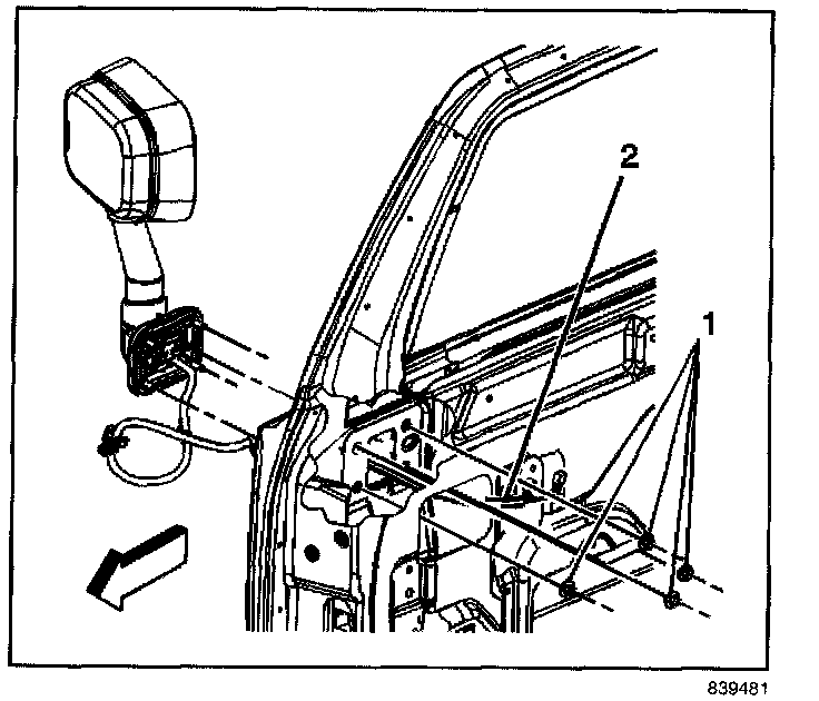
3. Disconnect the mirror electrical connector (2).
4. Remove the fasteners (1) retaining the mirror to the door.
5. Remove the mirror from the vehicle.

INSTALLATION PROCEDURE




1. Place the mirror into position on door.

NOTE: Refer to Fastener Notice in Service Precautions.

2. Install the fasteners (1) retaining the mirror to the door.

Tighten
Tighten the fasteners to 25 N.m (18 lb ft).

3. Connect the mirror electrical connector.
4. Install the water deflector.
5. Install the door trim panel.