LEMON Manuals: Even more car manuals for everyone
Home >> Hummer >> 2004 >> H2 V8-6.0L >> Repair and Diagnosis >> Relays and Modules >> Relays and Modules - HVAC >> Control Module HVAC >> Service and Repair >> HVAC Control Module Replacement

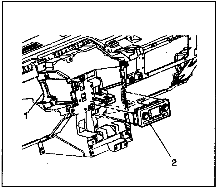
HVAC Control Module Replacement

HVAC CONTROL MODULE REPLACEMENT

REMOVAL PROCEDURE




1. Remove the center I/P trim bezel.
2. Remove the screws from the HVAC control module (2).
3. Depress the HVAC control module tabs (3) and remove the HVAC control module (2) from the I/P (4).
4. Reposition the HVAC control module (2) from the I/P panel (1).
5. Disconnect the electrical connectors from the HVAC control module (2).

INSTALLATION PROCEDURE

IMPORTANT: The key should be in the off position when connecting the electrical connectors to ensure proper calibration.




1. Connect the electrical connectors to the HVAC control module(2).

IMPORTANT: Ensure that the HVAC control module tabs lock into place.

2. Install the HVAC control module (2) to the I/P (1).

NOTE: Refer to Fastener Notice in Service Precautions.

3. Install the screws to the HVAC control module (2).

Tighten
Tighten the screws to 1.9 N.m (17 lb in).

4. Install the center I/P trim bezel.
If interrupted improper HVAC performance will result.

IMPORTANT: Do not adjust any controls on the HVAC control module while the HVAC control module is calibrating.

5. Start the vehicle and let run for one minute.