LEMON Manuals: Even more car manuals for everyone
Home >> Hummer >> 2009 >> H2 V8-6.2L >> Repair and Diagnosis >> Diagrams >> Components >> Front of Vehicle/Engine Compartment Component Views

Front of Vehicle/Engine Compartment Component Views




Front of Vehicle/Engine Compartment Component Views

Front Exterior Lights




1 - Park/Turn Signal Lamp - Right Front
2 - Marker Lamp - Right Front
3 - Headlamp - Right
4 - Daytime Running Lamp (DRL) - Right
5 - Roof Clearance Lamp - Right Front
6 - Roof Marker Lamp - Front Right
7 - Off Road Lamps (USB/USC/USD/UNR)
8 - Roof Clearance Lamp - Left Front
9 - Roof Marker Lamp - Front Left
10 - Roof Marker Lamp - Front Middle
11 - Marker Lamp - Left Front
12 - Park/Turn Signal Lamp - Left Front
13 - Daytime Running Lamp (DRL) - Left
14 - Headlamp - Left

Engine Compartment - 1 of 2




1 - Windshield Washer Fluid Level Switch
2 - Washer Fluid Pump
3 - Windshield Wiper Motor
4 - Horn-Left
5 - Engine Cooling Fan-Left
6 - Inflatable Restraint Front End Sensor - Left
7 - Inflatable Restraint Front End Sensor - Right
8 - Engine Cooling Fan-Right
9 - Outside Air Temperature Sensor
10 - Ambient Air Temperature Sensor
11 - Horn-Right

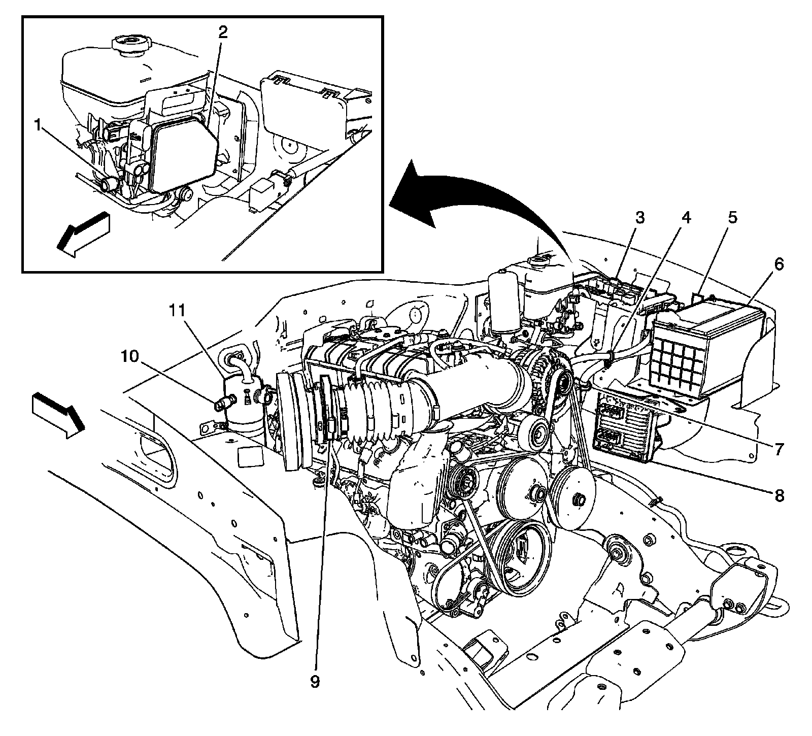
Engine Compartment - 2 of 2




1 - Brake Fluid Level Switch
2 - Electronic Brake Control Module (EBCM)
3 - Fuse Block-Underhood
4 - Air Suspension Relay (ZM6)
5 - Battery
6 - Junction Block - Battery Cable
7 - Engine Control Module (ECM)
8 - Mass Air Flow (MAF)/Intake Air Temperature (IAT) Sensor
9 - A/C Low Pressure Switch
10 - Accumulator