LEMON Manuals: Even more car manuals for everyone
Home >> Kia >> 2008 >> Rio L4-1.6L >> Repair and Diagnosis >> Diagrams >> Electrical Diagrams >> Powertrain Management >> Body Control Module

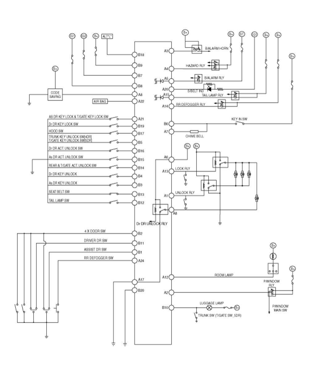
Body Control Module





CIRCUIT DIAGRAM

BCM & RECEIVER




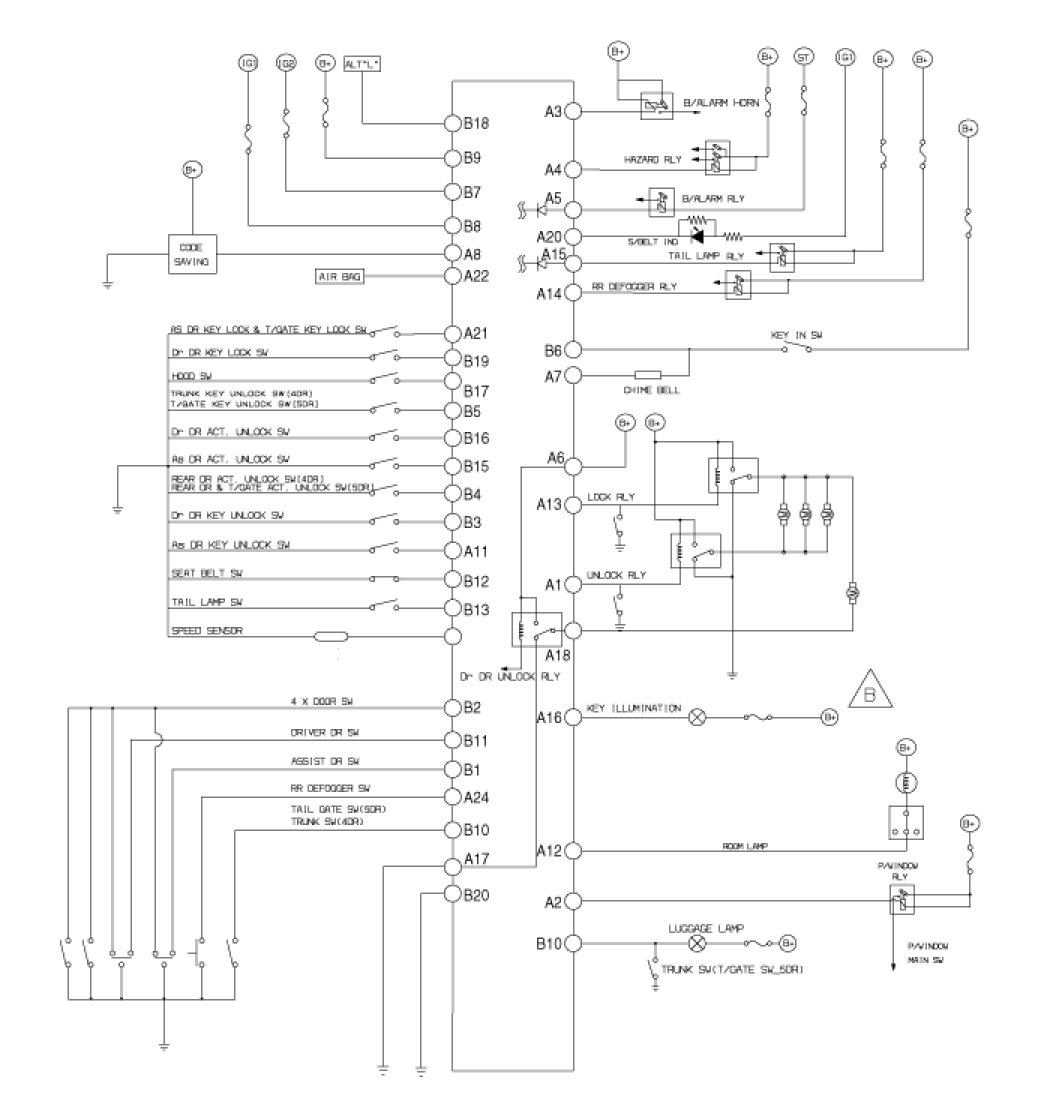
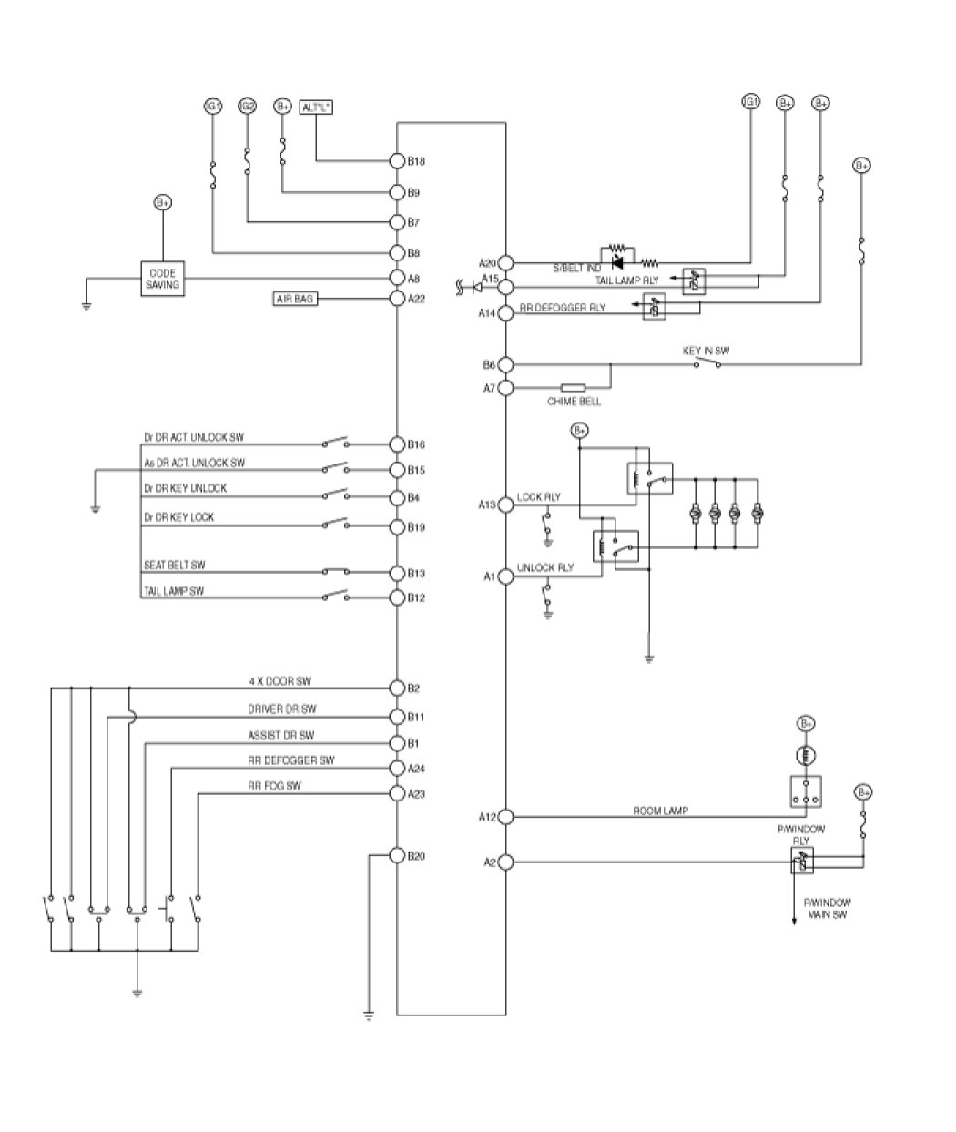
BCM






Circuit Diagram




BCM