LEMON Manuals: Even more car manuals for everyone
Home >> Kia >> 2008 >> Rio L4-1.6L >> Repair and Diagnosis >> Diagrams >> Electrical Diagrams >> Powertrain Management >> Engine Control Module

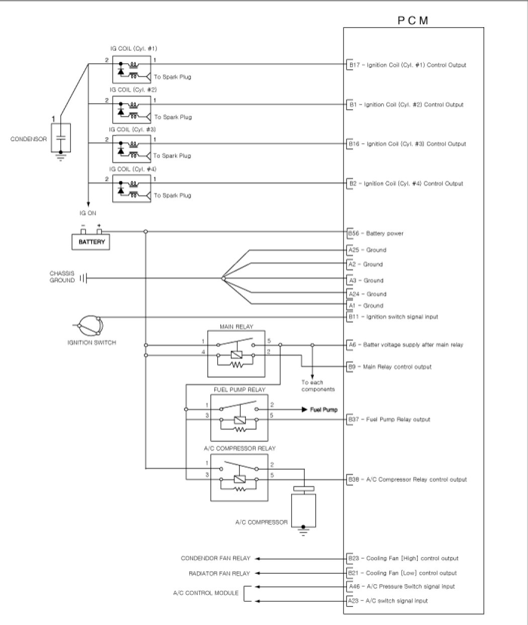
Engine Control Module





CIRCUIT DIAGRAM

[A/T]

















[M/T]