LEMON Manuals: Even more car manuals for everyone
Home >> Kia >> 2011 >> Rondo (CANADA) V6-2.7L >> Repair and Diagnosis >> Powertrain Management >> Computers and Control Systems >> Engine Control Module >> Diagrams >> Electrical Diagrams

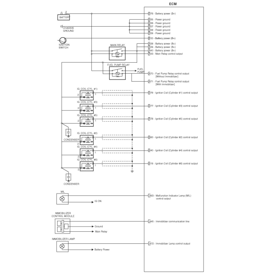
Electrical Diagrams





Circuit Diagram