LEMON Manuals: Even more car manuals for everyone
Home >> Kia >> 2012 >> Optima L4-2.4L >> Repair and Diagnosis >> Diagrams >> Electrical Diagrams >> Automatic Transmission/Transaxle >> Control Module, A/T

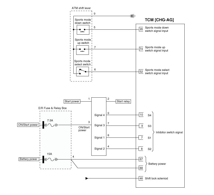
Control Module, A/T





1. TCM Connector and Terminal Function





2. TCM Terminal Function

Connector [CHG-AG]










TCM Terminal Input/ Output Signal

Connector [CHG-AG]


















Circuit Diagram