LEMON Manuals: Even more car manuals for everyone
Home >> Lexus >> 2008 >> LS 460 V8-4.6L (1UR-FSE) >> Repair and Diagnosis >> Starting and Charging >> Starting System >> Testing and Inspection >> Component Tests and General Diagnostics >> Engine Does Not Start

Engine Does Not Start








1UR-FSE STARTING: SMART ACCESS SYSTEM WITH PUSH-BUTTON START: Engine does not Start

Engine does not Start

DESCRIPTION

1. ENGINE START SYSTEM OPERATION
(a) When the engine switch is pressed with the brake pedal depressed and shift lever in P or N, the main body ECU determines that it is an engine start request.
(b) The certification ECU and other ECUs perform key verification via the LIN communication line. The engine switch indicator light illuminates in green.
(c) The main body ECU activates the D-ACC, D-IG1 and IG2 relays.
(d) The certification ECU outputs a steering UNLOCK signal. The signal is sent to the steering lock ECU via the LIN communication line.
(e) The main body ECU sends an engine start request signal to the ECM.
(f) The ECM sends an ACC cut request signal to the main body ECU.
(g) The ECM and main body ECU activate the ST cut relay.
(h) The main body ECU deactivates the D-ACC relay until the ECU detects an engine start.
(i) The ECU reactivates the D-ACC relay and turns off the engine switch indicator light.










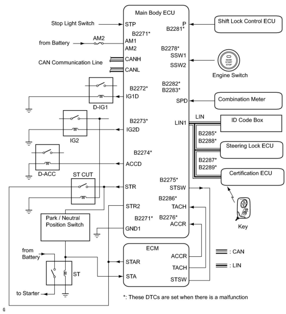
WIRING DIAGRAM

Refer to the CRANKING HOLDING FUNCTION CIRCUIT Cranking Holding Function Circuit.

INSPECTION PROCEDURE

PROCEDURE

1. CHECK WHETHER ENGINE STARTS AFTER STEERING LOCK INITIALIZATION
(a) Open and close the driver door when the engine switch is off.
(b) Check that the engine starts.
OK:
Engine starts.
HINT: After the battery runs out, the engine may not start if the steering lock ECU has not been initialized (lock / unlock may not be recorded) through the procedure described above.

OK -- SYSTEM OK
NG -- Continue to next step.
2. CHECK WHETHER DTC OUTPUT RECURS (MAIN BODY ECU AND CERTIFICATION ECU)
(a) Clear the DTCs Reading and Clearing Diagnostic Trouble Codes.
HINT: After all DTCs are cleared, check if the trouble occurs again 5 seconds after the engine switch is turned on (IG).
(b) Check for DTCs again.
OK:
No DTC is output.
NG -- GO TO DTC CHART
OK -- Continue to next step.
3. CHECK ENGINE SWITCH (SWITCH CONDITION)
(a) Ensure the key is inside the cabin.
(b) With the brake pedal released, check that the power source mode changes as shown below each time the engine switch is pushed.
OK:
off -> on (ACC) -> on (IG) -> off
NG -- GO TO POWER SOURCE MODE DOES NOT CHANGE
OK -- Continue to next step.
4. CHECK BASIC FUNCTION
(a) Ensure that there is fuel in the fuel tank and the key is inside the cabin.
(b) Depress the brake pedal with the shift lever in P or N, and keep depressing the pedal.
(c) Check that the engine cranks when the engine switch is pressed.
OK:
Engine cranks.
OK -- READ VALUE USING TECHSTREAM (ENGINE START REQUEST)
NG -- Continue to next step.
5. READ VALUE USING TECHSTREAM (PARK / NEUTRAL POSITION SWITCH)
(a) Use the Data List to check if the park / neutral position switch is functioning properly.

Main Body





OK:
When the shift lever is in P or N, ON is displayed on the Techstream.
NG -- REPAIR OR REPLACE PARK / NEUTRAL POSITION SWITCH
OK -- Continue to next step.
6. READ VALUE USING TECHSTREAM (STOP LIGHT SWITCH)
(a) Use the Data List to check if the stop light switch is functioning properly.

Main Body





OK:
When the brake pedal is depressed, ON is displayed on the Techstream.
NG -- REPAIR OR REPLACE STOP LIGHT SWITCH
OK -- Continue to next step.
7. CHECK STEERING LOCK SYSTEM
(a) When the engine switch is on (ACC), check that the steering lock can be released.
OK:
Steering lock can be released.
NG -- GO TO STEERING LOCK SYSTEM
OK -- Continue to next step.
8. INSPECT MAIN BODY ECU





(a) Disconnect the A68 main body ECU connector.
(b) Depress the brake pedal with the shift lever in P or N, and keep depressing the pedal.
(c) Measure the voltage according to the value(s) in the table below.
Standard voltage:






NG -- GO TO SFI SYSTEM (CRANKING HOLDING FUNCTION CIRCUIT)
OK -- REPLACE MAIN BODY ECU
9. READ VALUE USING TECHSTREAM (ENGINE START REQUEST)
(a) Use the Data List to check if the engine start request is functioning properly.

Smart Access





OK:
When ID code box receives immobilizer un-set signal, OK is displayed on the Techstream.
NG -- REPLACE CERTIFICATION ECU
OK -- REPLACE ID CODE BOX