LEMON Manuals: Even more car manuals for everyone
Home >> Pontiac >> 1999 >> Firebird V6-3.8L VIN K >> Repair and Diagnosis >> Diagrams >> Components >> Modules >> Cruise Control Module (CCM)

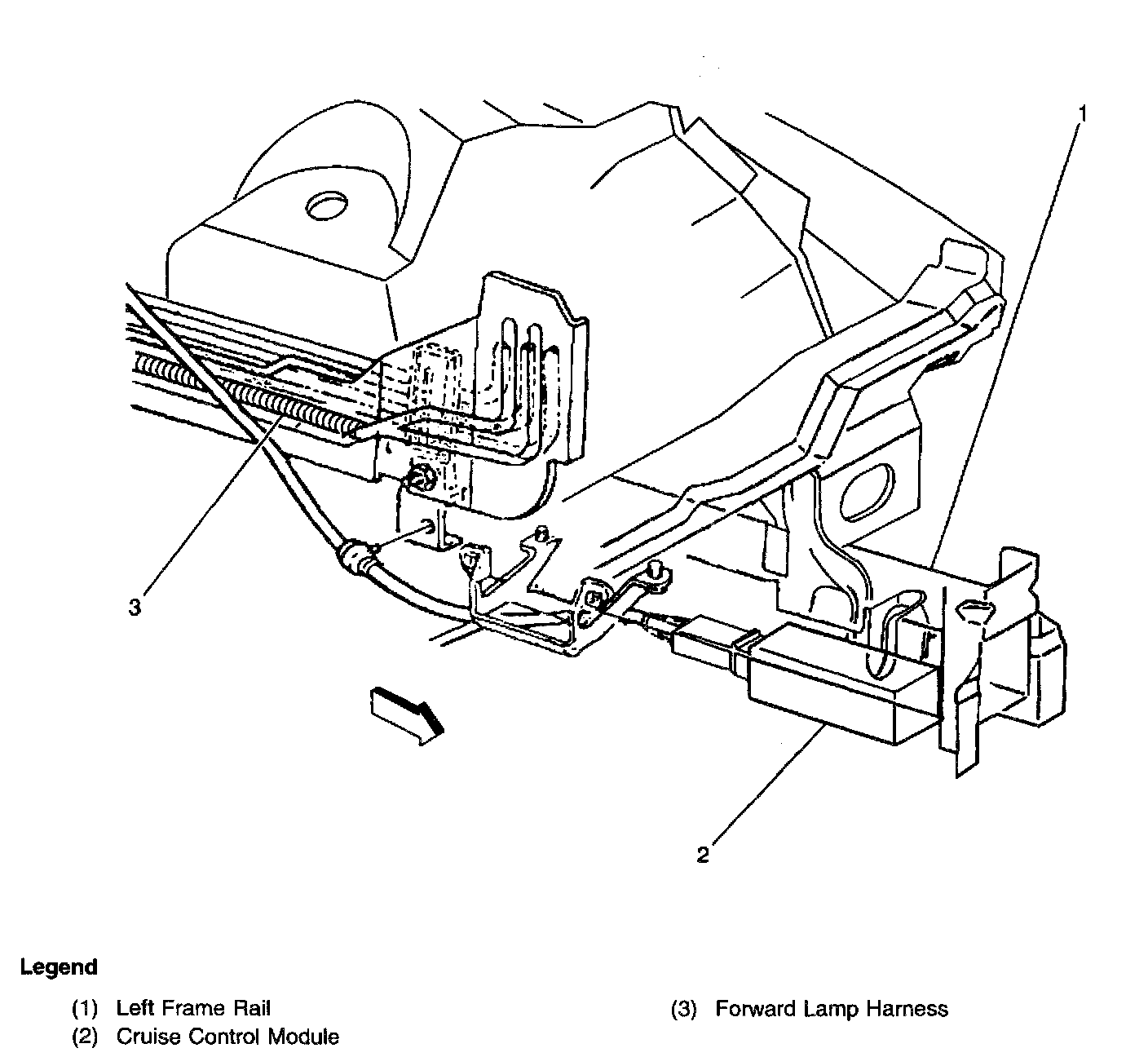
Cruise Control Module (CCM)

Left Frame Rail:





Mounted to the left frame rail, forward of the wheelhouse