LEMON Manuals: Even more car manuals for everyone
Home >> Toyota >> 1995 >> Avalon V6-3.0L (1MZ-FE) >> Repair and Diagnosis >> Powertrain Management >> Transmission Control Systems >> Testing and Inspection >> Component Tests and General Diagnostics >> Pattern Select Switch Circuit

Pattern Select Switch Circuit


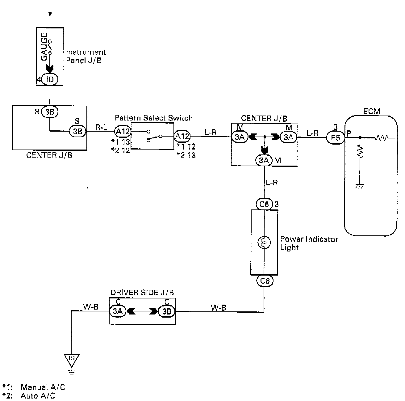
PATTERN SELECT SWITCH CIRCUIT

CIRCUIT DESCRIPTION
The ECM memory contains the shift programs for the NORMAL and POWER patterns, 2 position, and L position and the lock-up patterns. Following the programs corresponding to the signals from the pattern select switch, the park/neutral position switch and other various sensors, the ECM switches the solenoid valves ON and OFF thereby controlling the transaxle gear change and the lock-up clutch operation.


WIRING DIAGRAM

Pattern Select Switch Circuit:






INSPECTION PROCEDURE